前面给大家介绍了移位寄存器指令和移位指令的功能,今天给大家介绍指令的具体应用。
Q0.0-Q0.7八盏灯移位循环转动
要求:上电点亮Q0.0,按下启动I0.0,开始启动旋转,左移为正转,右移为反转,按下I0.1暂停,再次按下I0.0继续旋转,按下I0.2复位到最初状态。
转动方式如下:频率为移位一次的间隔时间
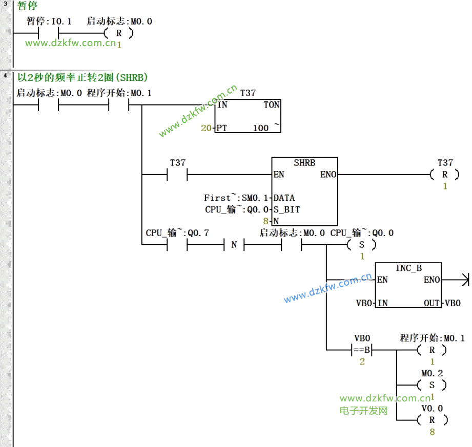
1、先以2秒的频率正转2圈(SHRB)。
2、再以1秒的频率正转3圈(SHL_B)。
3、接着以0.5秒的频率正转3圈(ROL_B)。
4、接着以0.5秒的频率反转5圈(SHR_B)。
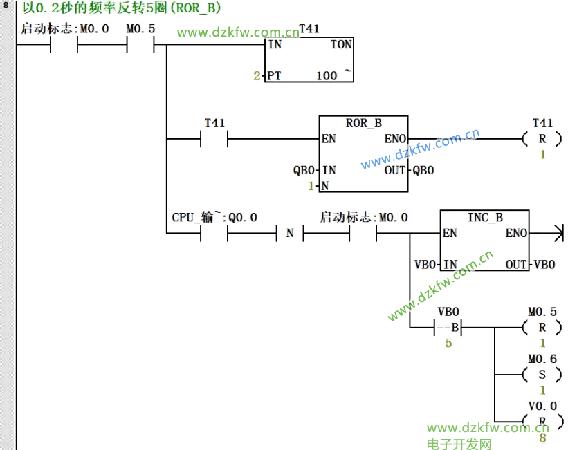
5、接着以0.2秒的频率反转5圈(ROR_B)。
6、停止5秒,循环上述动作。
(使用了SHRB指令和INC_B指令、SHL_B指令),程序如下:
总结:
(1)西门子PLC下降沿指令不是独立的,取的是左侧所有条件的下降沿。
(2)正转时,Q0.7的下降沿到来即转完一圈,计数;反转时,Q0.0的下降沿到来即转完一圈,计数。


返回顶部
刷新页面
下到页底