电子开发网

电子开发网电子设计 | 电子开发网Rss 2.0 会员中心 会员注册
搜索: 您现在的位置: 电子开发网 >> 电子开发 >> 梯形图实例 >> 正文

西门子S7-200 Smart PLC入门笔记1——流水灯梯形图 MOV_B和SHL_B指令

作者:佚名    文章来源:网络    点击数:    更新时间:2023/5/29

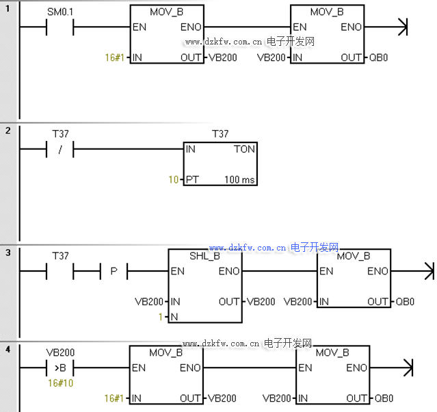
采用西门子PLC s7-200 smart编写流水灯,目的是熟悉位移指令、传送指令、比较指令,采用两种方法实现。

方法一采用按键,按下一次按钮,灯就变动一次:

流水灯梯形图 MOV_B和SHL_B指令 

方法二采用定时器,每个1秒,灯变动一次:

西门子plc s7-200采用定时器,每个1秒,灯变动一次 

Tags:流水灯,smart,西门子plc  
责任编辑:admin
相关文章列表
西门子S7-200SMART两台PLC之间主从站,MODBUS主从站通信步骤设置
西门子S7-200 Smart PLC入门笔记8——电机控制子程序调用 子程序
西门子PLC程序控制指令  条件结束指令和子程序指令
西门子PLC设计 天塔之光实验  S7-200 SMART
西门子S7-300 PLC和MM440变频器控制吸尘风机案例 风机节能自动控
西门子plc  1分钟学会S7-1200基本指令——SR、RS
RS触发器与SR触发器的几点区别,复位优先触发器和置位优先触发器
西门子S7-200SMART PLC喷泉系统设计,比较运算的实例
西门子S7-200 SMART PLC定时器计数器的实现用于统计设备的转速
西门子S7-200 SMART PLC如何读取计数器当前值
西门子plc S7-200按下启动按钮指示灯点亮,按钮使用计数器和计时
S7-1200 PLC跑马灯程序设计,接线图和控制流程图
西门子S7-200SMARTPLC循环走马灯如何编写 plc跑马灯程序
使用S7-200编写的一个货物进出的梯形图实例编程 仓库进出货实例梯
基于S7-200组合式空调恒温恒湿的自动控制 温湿度控制
昆仑通态触摸屏TPC7062kx和西门子s7-200 cpu224cn通信设置
PLC200入门笔记1-软件安装和程序下载 STEP7软件下载和安装
西门子plc s7-200smart modbus-tcp通信实例编程详细指导,STEP7软
西门子PLC控制数码管显示,停车场PLC程序实例!七段编码指令SEG,
PLC编程经典实例,西门子 S7-200 SMART plc恒压供水系统
西门子S7-200 Smart PLC的扩展模块之数字量输入模块 EM DE08和EM
ATX电源实例电路图  两款ATX开关电源电路图
西门子plc S7-200 Smart的模拟量输出模块EM AQ02和EM AQ04模块说
S7-200 SMART 通讯控制 V20变频器,MODBUS通讯控制变频器
什么是PLC?看完就明白! 小型plc中型plc大型plc的区分
昆仑通态触摸屏用串口与西门子200通讯,用网口做数据中转,把PLC
昆仑通态MCGS与西门子PLC的连接与调试,昆仑通态和西门子plc通讯
西门子 PLC S7-200SMART与MCGS触摸屏485通讯连接,昆仑通态和西门
昆仑通态MCGS触摸屏与西门子SMART系列PLC通讯,昆仑通态和西门子
昆仑通态MCGS组态软件怎么和西门子200plc   VD变量对应地址
请文明参与讨论,禁止漫骂攻击,不要恶意评论、违禁词语。 昵称:
1分 2分 3分 4分 5分

还可以输入 200 个字
[ 查看全部 ] 网友评论
推荐文章
最新推荐
关于我们 - 联系我们 - 广告服务 - 友情链接 - 网站地图 - 版权声明 - 在线帮助 - 文章列表
返回顶部
刷新页面
下到页底
晶体管查询