用西门子plc S7-200实现小车往返的自动控制 ,控制过程如下:
按下启动按钮 ,小车从左边往右边(右边往左边运动), 当运动到右边(左边)碰到右边(左边)的行程开关后,小车自动做返回运动,当碰到另一边的行程开关后,再次做返回运动 。如此往返运动,直到当按下停车按钮后小车停止运动。
1、往返小车电气接线图
2、往返小车I/O分配表
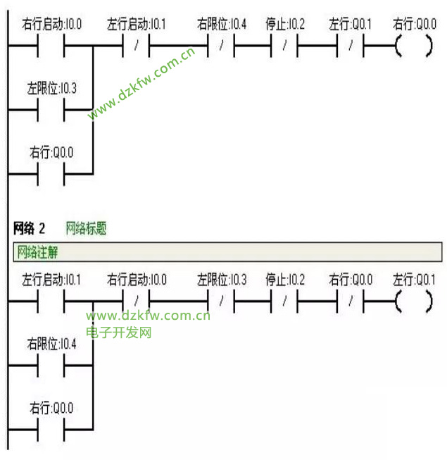
3、梯形图程序
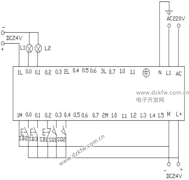
4、PLC接线图
5、程序调试及结果分析
▲控制平台操作面板
当按下SB2即i0.0(鼠标点击i0.0f)接通后,Q0.0接通,小车右行(即指示 灯 Q0.0 亮)。当小车运行碰到右限位开关SQ2即i0.4(用鼠标点击i0.4f,模拟SQ2被压下)接通,此时小车左行(指示灯Q0.0灭,指示灯Q0.1亮),当运行到左边碰到左限位SQ1即i0.3(鼠标点击i0.3f)接通,此时小车又往右运行(指示灯Q0.1灭,指示灯Q0.0 亮)。如此往返运动下去,直到按下SB1即i0.2(鼠标点i0.2f)接通,小车停止运行。
附:


返回顶部
刷新页面
下到页底