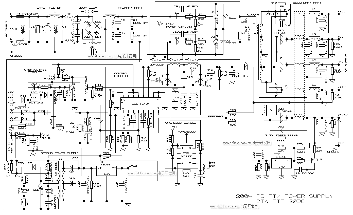
ATX电源的特点:与AT电源相比,ATX电源增加了“+3.3V、+5VSB、PS-ON
”三个输出。其中“+3.3V”输出主要是供内存用,而“+5VSB”、“PS-ON”输出则体现了ATX电源的特点。ATX电源最主要的特点就是,它不采用传统的市电开关来控制电源是否工作,而是采用“+5VSB、PS-ON”的组合来实现电源的开启和关闭,只要控制“PS-ON”信号电平的变化,就能控制电源的开启和关闭。“PS-ON”小于1V伏时开启电源,大于4.5伏时关闭电源。和AT电源不一样,ATX电源除了在线路上作了一些改进,其中最重要的区别是,关机时ATX电源本身并没有彻底断电,而是维持了一个比较微弱的电流。同时它利用这一电流增加了一个电源管理功能,称为Stand-By。它可以让操作系统直接对电源进行管理。通过此功能,用户就可以直接通过操作系统实现软关机,而且还可以实现网络化的电源管理。如在电脑关闭时,可以通过网络发出信号到电脑的Modem上,然后监控电路就会发出一个ATX电源所特有的+5V SB激活电压,来打开电源启动电脑,从而实现远程开机。
点击查看大图
点击查看大图




返回顶部
刷新页面
下到页底