4-20mA电流信号源制作方案
用三端稳压器来制作电流信号源,其电路简单、价格低、取材容易,且固定式或可调式三端稳压器都可以用来制作电流信号源。LM317是一种三端可调正电压稳压器,LM317的外形及引脚昌晖仪表建议参阅产品技术资料,如果在调节端和输出端之间接一个可调电阻,就可组成可调式的精密稳流器。LM317产品资料推荐的稳流电路如图1所示,LM317属三端浮动稳压器,工作时,LM317建立并保持输出与调节端之间1.25V的标称参考电压Vref,而调节端的电流IAdj被设计和控制在100μA以下,并使其恒定不变。则该电路的输出电流为:
式中Vref为标称参考电压,为1.25V;IAdj为调节端电流;R1为编程电阻。
图1 LM317产品资料推荐的稳流电路
厂商推荐该电路的最小稳定电流为10mA。但LM317的最小稳定工作电流一般为1.5mA。LM317的生产厂不同、型号不同,其最小稳定工作电流也会略有差别。当LM317的输出电流大于最小稳定工作电流时,LM317就能正常工作。通过实际应用LM317是可满足4-20mA使用的。
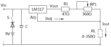
4-20mA电流信号源制作方法
用LM317制作的稳流源如图2所示,LM317的输入Vin端接电源的正极,输出Vout端接电阻后为稳流输出,调节端则直接接至稳流输出端Iout,负载RL则接在输出端Iout与电源负极间。由于LM317的标称参考电压Vref为1.25V,且这个电压是保持不变的,这个电压就在Vout端与调节端ADj两端,也就是电阻R1与RP1的两端,如果电阻值是固定的,电压也是固定的,则流过负载RL的电流就可以做到恒定不变。即电流Iout为:
利用上式就可确定R1与RP1的电阻值,当输出电流为4mA时:
当输出电流为20mA时:

图2 LM317稳流源电路原理图
当电阻R1与RP1的变化范围为312.5-62.5Ω时,其输出电流为4-20mA,以上的计算是理想状态。由于电子元件参数的离散性,在选择电阻值时要考虑到一定的可调整性,因此,选择一个51Ω的固定电阻再串联一个360Ω的电位器,就可实现4-20mA电流可调了。51Ω的电阻用锰铜电阻线绕制,360Ω的电位器则选择X型的多圈线绕式电位器。经过实际调试,本稳流器的工作电源在9-24V范围内都可正常工作。为了现场携带的方便也曾试过把供电电源减小至7.5V,但发现调不到20mA,从LM317的资料上知,其输出电压是变化的,并有一定的电压差要求,况且在输出20mA时,其输出端电压也必须是大于或等于5V的。
从式知由于电阻减小时输出电流是增加的,而电阻增大时输出电流是减小的。但是人们习惯的调整方向是顺时针旋转电位器时输出增大,而逆时针旋转电位器时输出减小,因此在焊接电位器的引脚时要注意这一关系,以满足操作习惯。
信号源的供电采取自备及外接形式,可使用一节6F22型9V的叠层电池,如果现场有电源时,则采用外接电源的方式,但要把电源开关S断开,为了防止误操作,在叠层电池电路中串了一只1N4001的二极管V作保护。
4-20mA电流信号源使用方法
该电流源可用来代替变送器的输出电流,可用来在现场检查变送器至控制室的电流信号传输是否正常、数显仪表有没有指示或能否按电流信号的增、减而变化;但不一定需要电流输出信号的具体数值,只要输出信号能增大或减少变化就行了。而在实验室检查数显仪表时可作电流信号源使用使用前先接好相关的连线,把电位器逆时针旋转到4mA,在输出接线柱上接入要检查的数显仪表,并在被检查仪表的输入端串联接入标准电流表,或通过250Ω电阻并联接入数字电压表;接通工作电源后调整电位器RP1,以得到需要的电流信号值,而输出电流值应以标准电流表或数字电压表的指示为准。


返回顶部
刷新页面
下到页底