实用的电力线防盗割报警电路制作
在山区和农村,由于输电线路长.翻山跨谷,涉水过河,常会发生低压电力线被不法分子剪割现象,加之环境、气候条件(如大风、冰冻等)恶劣,也会发生输电线断相及停电事故。本文介绍的报警电路.可在电力线断相或被盗时发出报警。它有现场声光报警和无线报警两种选择,亦可同时进行两种报警。电路简单、实用性好,采用普通元器件,容易制作。
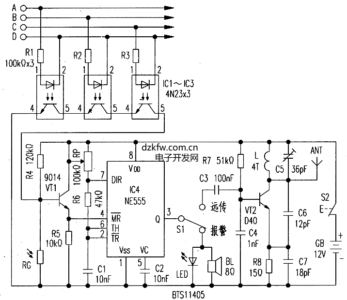
电路原理如图1所示。Rl~R3和光耦合器IC1~IC3(4N23)作隔离取样。光敏电阻RG的亮阻应小于100Ω暗阻大于10MΩ.其作用是白天受光照阻值很小,报警电路不工作.晚上电阻大,可进行报警。如果需要白天和晚上都处于警戒状态.可去掉RG不用。IC4(NE555)接成无稳态振荡器模式.调节RP可获得750~1500Hz报警频率(按f=1.443/(RP+2R6)·C1估算)。S1为现场报警或无线远传报警选择开关.BL为8Ω/0.5W扬声器,LED使用红色频闪发光二极管。VT2等组成调频载波振荡发射电路,L1、C5并联谐振频率即为发射频率,报警信号由1km以外的调频收音机接收。
在输电线路A、B、c、D线正常时,光耦合器Ic1~Ic3均导通.其输出串联电阻小于100Ω,与RG受光照亮电阻并联等效电阻小于50Ω,故VT1截止.Ic4④脚强复位端电压小于1.3V,所以IC4及后续电路不工作。
当晚上输电线路任何一线被剪断时.Ic1~Ic3之一截止,其输出串联电阻无穷大,又因晚上RG阻值大于10MΩ.所以VT1导通,Ic4④脚被高电平触发起振,LED产生频闪,BL发出报警声.或对VT2调制后将无线电波发送至远方的调频收音机接收。


返回顶部
刷新页面
下到页底