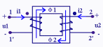
耦合互感的实际电路示意图如上,其中两个电流产生的磁链方向一致。我们可以写出两个线圈上的磁链
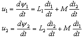
每个线圈上的感应电压分为两项,自感电压和互感电压:
互感电压是另外一个线圈中变化的电流在本线圈上的感应电压。在一定条件下,该互感电压与另外线圈电流的变化率成比例,比例系数称为互感系数,简称互感 M12=M21=M , 单位为亨利 (H)。
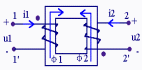
如果两个线圈电流产生的磁链方向不一致,如下图所示
则互感电压的极性相反
可以看出
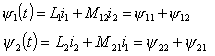
1. 每个端口电压包含两项:自感电压和互感电压。
2. 在关联的参考方向下,端口电流产生的自感电压项为正,而对互感电压的贡献正负,取决于两电流产生的磁通方向是否一致。
3.为便于判断互感电压方向,引入同名端的概念。
同名端——互感元件两个端口的一对端子,当电流分别从这对端子流入(或流出)时所产生的磁通方向一致。在端口上用一对圆点或特殊符号标出同名端,可以避免用线圈内部结构判断互感电压极性,从而可能建立互感元件电路模型。


返回顶部
刷新页面
下到页底