1.定律内容:
在任一时刻,对任一结点,流入结点的电流之和恒等于流出该结点的电流之和。即
如图所示:

:
:
由结点a的KCL方程:
我们可以得到基尔霍夫电流定律的另一种描述:
对任一结点,结点电流代数和等于零,即
存在“+-”号问题,若规定流入结点电流为+,则流出为-;若规定流出为+,则流入为-。
KCL实质上反映了支路电流间的关系,揭示了在任一结点上电荷的守恒,即电荷在结点上既没有消失,也没有积累。
2.广义KCL
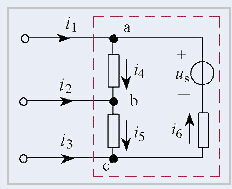
KCL不仅适用于单个结点,也可推广应用于一个闭合面(又称广义结点)。
对图中的虚线所示闭合面,共有3条支路与其相连,对应的支路电流分别为

:
:
:
由上述3个方程,我们可以得出:
可见,对于图中虚线所示的闭合面,如果把它看作一个结点(广义结点),它也满足KCL定律,和它相连的3条支路的支路电流的代数和为0。
:任一时刻,通过任意一个封闭面的电流的代数和等于零。
即:这个封闭面可以看成是一个广义大结点,有


返回顶部
刷新页面
下到页底