电子开发网

电子开发网电子设计 | 电子开发网Rss 2.0 会员中心 会员注册
搜索: 您现在的位置: 电子开发网 >> 电子开发 >> 梯形图实例 >> 正文

三台S7-200 SMART 之间的MODBUS-RTU 通讯 梯形图实例

作者:佚名    文章来源:本站原创    点击数:    更新时间:2019-06-21

原标题:【干货】三台S7-200 SMART 之间的MODBUS-RTU 通讯实例

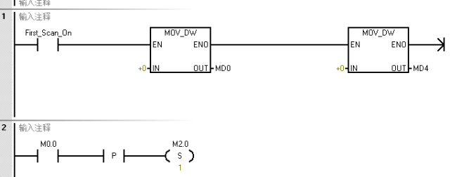
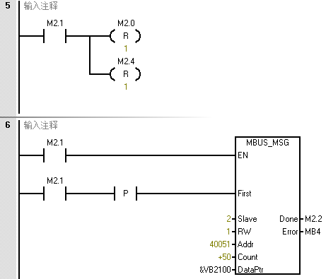
一、主站编程

MODBUS 子程序:

二、从站1程序:

子程序:

三、从站2程序:

子程序:

Tags:S7-200,MODBUS,通讯,梯形图实例  
责任编辑:admin
相关文章列表
西门子S7-200 PLC在恒温水箱控制中的应用 梯形图实例
西门子s7-200PLC模拟量输入数值不稳定原因分析
西门子S7-200PLC的寻址方式
S7-200与变频器的MODBUS RTU通讯实例
西门子S7-200 PLC在地铁排水控制系统中的应用 梯形图实例
西门子S7-200 PLC在温度监测与控制系统中的应用 EM235 梯形图实例
西门子S7-200 PLC在除尘室除尘控制中的应用 梯形实例图
西门子S7-200 PLC在装配流水线控制系统中的应用 梯形图实例
使用西门子S7-200 PLC控制水轮发电机组润滑、冷却、制动及调相压
西门子S7200四则运算指令表详解
梯形图实例 基于S7-200 PLC的饮料灌装线控制系统设计
梯形图实例 S7-200 PLC在自动数粒机中的应用
梯形图实例 S7-200 PLC在造粒机摇振控制系统中的应用
梯形图实例 节日彩灯的S7-200 PLC控制设计
S7-200 PLC在多工步机床控制系统中的应用
楼梯灯的S7-200 PLC定时控制 ton
三菱PLC与三菱变频器通讯应用实例(RS485)
西门子S7-200模拟量的使用事项
西门子S7-200PLC自由口与PPI通讯的区别
西门子plc s7-200怎么和电脑连接编程
西门子PLC与变频设备的DP通讯介绍
S7-200 PLC的子程序调用指令(SBR)
S7-200 PLC的编译规则错误
S7-200 PLC字节交换指令SWAP
西门子S7-200 PLC梯形图中的数学运算指令与语句表中的数学运算指
西门子S7-200 PLC在Z3040摇臂钻床控制中的应用及梯形图设计
S7-200 PLC读取实时时钟指令
S7-200 PLC立即存取指令I(Immediate)(LDI、LDNI、AI、ANI、01、O
PLC中的|P|跟|N|怎么理解?上升沿触发指令和下降沿触发指令
西门子S7-200的中使用SM0.0的常闭触点起什么作用?SM0.0常开触点
请文明参与讨论,禁止漫骂攻击,不要恶意评论、违禁词语。 昵称:
1分 2分 3分 4分 5分

还可以输入 200 个字
[ 查看全部 ] 网友评论
关于我们 - 联系我们 - 广告服务 - 友情链接 - 网站地图 - 版权声明 - 在线帮助 - 文章列表
返回顶部
刷新页面
下到页底
晶体管查询