金属切削加工机床的种类很多,其中,车床、铣床、刨床、磨床是最常见的机床。近年来组合机床也渐渐多起来,较先进的金属加工机床是工作母机,也叫机械加工中心。长期以来,金属切削加工机床多采用继电接触器电路实现电气控制。其实,这类机械的电气控制主要以逻辑控制为主,这正是可编程控制器工作的强项。因此,PLC在机械加工机床的电气控制领域得到了越来越广泛的应用,不但更多的新品机床开始采用PLC作为主要控制设备,而且旧的机床电路也开始用PLC实现电气改造。
一、Z3040摇臂钻床电器设备的分布及分工
摇臂钻床利用旋转的钻头对工件进行加工,它由底座、内外立柱、摇臂、主轴箱和工作台构成。主轴箱固定在摇臂上,可以沿摇臂径向运动。摇臂借助于丝杆,可以作升降运动,也可以与外立柱固定在一起,沿内立柱旋转。钻削加工时,通过夹紧装置,主轴箱紧固在摇臂上,摇臂紧固在外立柱上,外立柱紧固在内立柱上。Z3040摇臂钻床的结构图如图7-1所示。
图7-1 Z3040摇臂钻床结构图
机械加工机床的加工运动往往是机械与电气配合实现的。在讨论电气电路之前需弄清电器的设置及电器控制的分工。Z3040摇臂钻床设有4台电动机,即主轴电动机、冷却泵电动机、摇臂升降电动机及液压泵电动机。主轴电动机提供主轴转动的动力,是钻床加工主运动动力源。主轴应具有正反转功能,但主轴电动机只有正转工作模式,反转由机械方法实现。冷却泵电动机用于提供冷却液,只需正转。摇臂升降电动机提供摇臂升降的动力,需正反转。液压泵电动机提供液压油,用于摇臂、立柱和主轴箱的夹紧和松开,也需要正反转。
Z3040摇臂钻床的操作主要通过手轮及按钮实现。手轮用于主轴箱在摇臂上的移动,这是手动的。按钮用于主轴的启动停止、摇臂的上升下降、立柱主轴箱的放松及夹紧等操作,再配合限位开关完成机床调节的各种动作。
Z3040摇臂钻床的电气元件表如表7-1所示。
表7-1 Z3040摇臂钻床电气元件表
二、Z3040摇臂钻床继电器原理图解读
在讨论Z3040摇臂钻床的PLC控制方案前,仔细解读它的继电接触器电路图是有益的。Z3040摇臂钻床以继电接触器构成的电气原理图如图7-2所示。
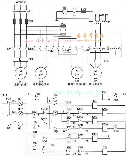
图7-2中,380V交流电源经手动转换开关QS1,进入电动机主电路和控制电路的电源变压器TC。主轴电动机M1由接触器KM1控制;摇臂升降电动机M2由接触器KM2和KM3控制;液压电动机M3由接触器KM4和KM5控制;冷却泵电动机M4功率较小,由组合开关QS2手动控制。机床操作情况如下:
(1)按下主轴启动按钮SB2,接触器KM1得电吸合且自保持,主轴电动机M1运转。按下停止按钮SB1,主轴电动机停止。
(2)需要摇臂上升时,按下摇臂上升按钮SB3,时间继电器KT得电,其瞬动触头和瞬时闭合延时打开的动合触头使接触器KM4和电磁阀YA动作,液压电动机M3启动,液压油进入摇臂装置的油缸,使摇臂松开。待完全松开后,行程开关SQ2动作,其动断触头断开使接触器KM4断电释放,液压电动机M3停止运转,其动合触头接通使接触器KM2得电吸合,摇臂升降电动机M2正向启动,带动摇臂上升。
上升到所需的位置后,松开上升按钮SB3,时间继电器KT和接触器KM2断电释放,摇臂升降电动机M2停止运转,摇臂停止上升。延时1~3 s后,时间继电器KT的动断触头闭合,动合触头断开,但由于夹紧到位行程开关SQ3动断触头处于导通状态,故YA继续处于吸合状态,接触器KM5吸合,液压电动机M3反向启动,向夹紧装置油缸中反向注油,使夹紧装置动作。夹紧完毕后,行程开关SQ3动作,接触器KM5断电释放,液压电动机M3停止运转,电磁阀YA断电。
时间继电器KT的作用是适应SB3松开到摇臂停止上升之间的惯性时间,避免摇臂惯性上升中突然夹紧。
(3)需要摇臂下降时,按下摇臂下降按钮SB4,动作过程与摇臂上升时相似。
(4)立柱和主轴箱同时夹紧和同时松开。按下立柱和主轴箱松开按钮SB5,接触器KM4得电吸合,液压电动机M3正向启动。由于电磁阀YA没有得电,处于释放状态,因此液压油经2位6通阀分配至立柱和主轴箱松开油缸,立柱和主轴箱夹紧装置松开。
按下立柱和主轴箱夹紧按钮SB6,接触器KM5得电吸合,M3反向启动,液压油分配至立柱和主轴箱夹紧油缸,立柱和主轴箱夹紧装置夹紧。
(5)摇臂升降限位保护是靠上、下限位开关SQIU和SQID实现的。上升到极限位置后,SQIU动断触头断开,摇臂自动夹紧,与松开上升按钮SB3动作相同;下降到极限位置后,SQID动断触头断开,摇臂自动夹紧,与松开下降按钮SB4动作相同。
图7-2 Z3040摇臂钻床电气原理图
三、Z3040摇臂钻床的PLC控制方案
1.机型选择及硬件连接
采用可编程控制器的Z3040摇臂钻床的操作及功能应与采用继电接触器电路时完全一致。机床原配的按钮、限位开关、变压器、指示灯、热继电器、接触器等电器均需保留。作为主要操作器件的按钮及限位开关要接入PLC的输入口,每个(组)触点占用一个输入口。作为主要执行器件的接触器及电磁阀线圈要接入PLC的输出口,每个(组)线圈也要占用一个输出口。指示灯按理也需接入输出口,但如控制触点在硬件连接上与其他控制功能不冲突,不接入PLC也是可以的。本次采用不接入方案。热继电器也有接入PLC与不接入PLC两种方案。不接入PLC时,可直接将热继电器的触点和相关接触器的线圈串起来。接入输入口时,则需通过程序设置热继电器的控制功能。本次热继电器也采用机外连接方案。此外,原电路中接触器KM2与KM3、KM4与KM5之间均设有互锁触点,考虑到硬件互锁比软件互锁更可靠,它们的互锁也设在机外进行。
清点Z3040型摇臂钻床需接入PLC的输入/输出器件后,确定需14个输入口及6个输出口,据此选用西门子S7-200系列CPU224AC/DC/RELAY。这是一种具有14个输入口及10个输出口的PLC,输出口为继电器型,它的主要性能完全满足钻床的工作需要。
系统的硬件连接如图7-3所示,各端口的标号都标在了图上。选用定时器T37代替原电路中的KT,另为编程需要还选了Ml0.0及Ml0.1两个辅助继电器。
图7-3 摇臂钻床PLC接线图
2.Z3040摇臂钻床的PLC程序编制
Z3040摇臂钻床的PLC程序以梯形图语言设计。设计方法为参照继电器原理图在保持原有控制逻辑基础上改绘。在继电接触器电路中,由于器件的触点有限,往往一个触点具有较多的功能,体现在电气原理图上往往是一些触点接有复杂的触点及线圈的组厶。图7-2中SB3与SQIU串联及SB4与SQID串联再并联的区域之后连接着复杂的触点及线圈组合。这样的区域在改绘为梯形图时将十分不便。这时可以发挥PLC具有许多辅助继电器的特点,将继电接触器电路中的一些触点区域的功能用辅助继电器代替,经这样的简化处理,最后一般都能得到结构简单的梯形图。在进行继电接触器电路图向梯形图转化时还需注意实际电器与PLC模拟电器功能上的差异,如图中时间继电器KT是具有瞬动触点的而PLC的定时器不具有这种功能,这时可用与定时器并联的辅助继电器触点代替。设计并调试成功的Z3040型摇臂钻床PLC控制程序如图7-4所示。图7-4中辅助继电器M10.0的触点即可用来表示SB3与SQIU串联及SB4与SQID串联再并联区域的逻辑状态以及图7-2中时间继电器KT的瞬动触点。
图7-4 摇臂钻床梯形图


返回顶部
刷新页面
下到页底