
图1 西门子plc梯形图
(1)母线
在西门子PLC梯形图中,左右两侧的母线分别称为左母线和右母线,是每条程序的起始点和终止点,也就是说梯形图中的每一条程序都是始于左母线,终于右母线的。
一般情况下,西门子PLC梯形图编程时,习惯性的只画出左母线,省略右侧母线,但其所表达梯形图程序中的能流仍是由左母线经程序中触点I0.1、I0.2、线圈Q0.0等至右母线中的过程,如图2所示。

图2 西门子PLC梯形图编程中的母线
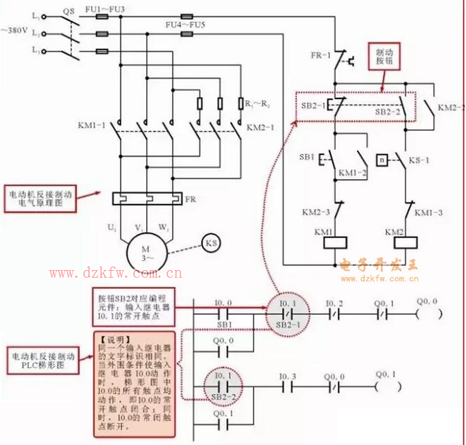
(2)触点
在西门子PLC梯形图中,触点可分为常开触点和常闭触点,其中常开触点符号为“-| |-”,常闭触点符号为“-|/|-”,可使用字母I、Q、M、T、C进行标识,且这些标识一般写在其相应图形符号的正上方,如图3所示。

图3 西门子PLC梯形图中的触点

(3)线圈
西门子PLC梯形图中的线圈符号为“-( )-”,可使用字母Q、M、SM等进行标识,且字母一般标识在括号上部中间的位置,如图4所示。

图4 西门子PLC梯形图线圈




返回顶部
刷新页面
下到页底