电子开发网

电子开发网电子设计 | 电子开发网Rss 2.0 会员中心 会员注册
搜索: 您现在的位置: 电子开发网 >> 电子开发 >> 梯形图实例 >> 正文

西门子S7-200 PLC在地铁排水控制系统中的应用 梯形图实例

作者:佚名    文章来源:本站原创    点击数:    更新时间:2019-06-15
    一、地铁排水系统概述
    地铁的排水系统由于其地势比地面排水沟低很多,不能自然排出,需要依靠专门的排水控制系统进行排水,排水示意图如图12-1所示.按照地势先把水集中在多个积水池中,然后对各个池进行抽水。抽水控制的顺序按照要求不同可以选择下面两种方法之一:按照固定的顺序进行抽水和按照先满先抽的原则进行抽水。不管采用哪种抽水方法,在抽水过程中同一个时间一般只对一个水池进行抽水,等到该池水抽完,再去抽满足条件的另外一池的水。下面分别采用两种方法设计地铁排水PLC控制系统的程序。
地铁排水系统示意图
    图12-1    地铁排水系统示意图
    二、固定顺序抽水
    1.固定顺序抽水工艺流程图
    按照固定顺序抽水的工艺流程图如图12-2所示。系统先检查1号池是否有水,是否水满,若有水且水已满,则打开1号水池排水电磁阀,同时打开抽水泵电机进行抽水。待1号水池抽完后,然后检查2号水池,若2号水池有水且水已满,则打开2号水池排水电磁阀,同时开启抽水泵电机开始对2号水池进行抽水。待2号水池水抽完后,再检查3号水池情况,进行相同处理,直到把5号水池检查完毕,再从1号水池开始重新进行检测。
    2.输入/输出信号分析
    抽水工艺流程图如图12-2所示,可知该地铁排水控制系统需要对5个蓄水池的水进行排出,系统的输入信号有:检测5个水池水是否充满,需5个水位传感器,检测5个水池是否有水,需5个水位传感器,控制系统启/停按钮1个,所以共需要11个输入端子。
    输出信号:控制5个水池出水的电磁阀,共需5个,此外,需要控制水泵电动机,还需要一个输出端子,所以共需要6个输出端子。
按固定顺序抽水的示意图
    图12-2    按固定顺序抽水的示意图
    3.PLC输入/输出分配表
    根据图12-2所示的固定顺序抽水工艺流程图,可设计出如表12-1所示的PLC的输入/输出地址分配表。
    表12-1    固定顺序抽水时PLC输入/输出分配表
固定顺序抽水时PLC输入/输出分配表
    4.PLC选型
    根据上述的输入/输出分配表,参看表2-1,本实例中PLC可选择西门子公司生产的小型S7-200系列PLC中的CPU224作为控制主机。
    5.PLC硬件接线图
    根据表12-1所示的输入/输出分配表,可设计如图12-3所示的PLC硬件接线图。
地铁排水PLC控制系统硬件接线图
    图12-3    西门子S7-200 PLC地铁排水PLC控制系统硬件接线图
    6.控制程序设计
    按固定顺序抽水的PLC控制程序如图12-4~图12-8所示,其中图12-4为地铁排水系统按固定顺序抽水时的控制主程序,图12-5为开阀门控制子程序,图12-6为关阀门控制子程序,图12-7为开/关泵控制子程序,图12-8为开/关抽水系统控制子程序。循环查询的地址设为VB100。程序中用到的符号如表12-2所示。
固定顺序抽水时控制主程序
    图12-4    固定顺序抽水时控制主程序
开阀门控制子程序
    图12-5    开阀门控制子程序
关阀门控制子程序
关阀门控制子程序
    图12-6    关阀门控制子程序
开/关泵控制子程序
    图12-7    开/关泵控制子程序
开/关抽水系统控制子程序
    图12-8    开/关抽水系统控制子程序
    表12-2    按固定顺序抽水时的程序符号分配表
按固定顺序抽水时的程序符号分配表
    三、按先满先抽的顺序抽水
    按先满先抽的顺序抽水时,对应的PLC输入/输出分配表,PLC选型以及PLC硬件接线与前述固定顺序抽水时相同,不再赘述。
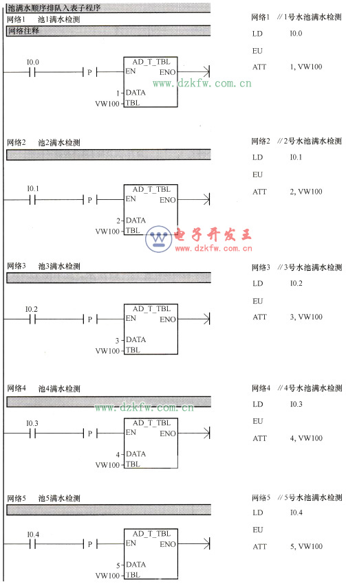
    按先满先抽顺序抽水时,控制程序如图12-9~图12-13所示,其中图12-9为地铁排水系统按先满先抽原则抽水时的控制主程序,图12-10为池满水顺序排队入表子程序,图12-11为开/关阀门控制子程序,图12-12为开/关泵控制子程序,图12-13为停止控制子程序。数据表存放在VW100中,读出水池序号放在VW130中,符号分配表如表12-3所示。
按先满先抽原则的抽水控制主程序
    图12-9    按先满先抽原则的抽水控制主程序
池满水顺序排队入表子程序
    图12-10    池满水顺序排队入表子程序
开/关阀门控制子程序
    图12-11    开/关阀门控制子程序
泵开/关控制子程序
    图12-12    泵开/关控制子程序
停止控制子程序
    图12-13    停止控制子程序
    表12-3    按先满先抽原则抽水时的符号分配表
 按先满先抽原则抽水时的符号分配表
Tags:地铁排水控制系统,梯形图实例,S7-200,EM235  
责任编辑:admin
相关文章列表
西门子S7-200 PLC在恒温水箱控制中的应用 梯形图实例
三菱plc 输送机分检大、小球的F系列PLC控制装置
西门子s7-200PLC模拟量输入数值不稳定原因分析
西门子S7-200PLC的寻址方式
西门子PLC在三相异步电动机模拟量处理中的应用梯形图实例
PLC程序的经验设计法编程实例 送料小车梯形图实例
三台S7-200 SMART 之间的MODBUS-RTU 通讯 梯形图实例
S7-200与变频器的MODBUS RTU通讯实例
西门子S7-200 PLC在温度监测与控制系统中的应用 EM235 梯形图实例
西门子S7-200 PLC在除尘室除尘控制中的应用 梯形实例图
西门子S7-200 PLC在装配流水线控制系统中的应用 梯形图实例
CP1H系列PLC在大门控制系统中的应用梯形图实例
三菱plc FX2N-48MR PLC对自动售货机的控制梯形图实例
三菱plc抢答器三菱FX系列PLC的控制系统设计
三菱plc 基于FX系列PLC的五组抢答器控制设计梯形图实例
使用西门子S7-200 PLC控制水轮发电机组润滑、冷却、制动及调相压
大小铁球分拣机的PLC控制系统开发梯形图实例
液压动力滑台一次工进控制电路PLC编程梯形图实例
多工步机床控制电路PLC编程梯形图实例
西门子S7200四则运算指令表详解
梯形图实例 基于S7-200 PLC的饮料灌装线控制系统设计
梯形图实例 S7-200 PLC在自动数粒机中的应用
梯形图实例 S7-200 PLC在造粒机摇振控制系统中的应用
梯形图实例 节日彩灯的S7-200 PLC控制设计
S7-200 PLC在多工步机床控制系统中的应用
楼梯灯的S7-200 PLC定时控制 ton
台达DVP-PLC整数与浮点数混合的四则运算程序设计范例
基于PLC具有循环次数控制的工作台自动往返电路程序设计
西门子S7-200模拟量的使用事项
PLC程序的组合逻辑设计法及梯形图实例
请文明参与讨论,禁止漫骂攻击,不要恶意评论、违禁词语。 昵称:
1分 2分 3分 4分 5分

还可以输入 200 个字
[ 查看全部 ] 网友评论
关于我们 - 联系我们 - 广告服务 - 友情链接 - 网站地图 - 版权声明 - 在线帮助 - 文章列表
返回顶部
刷新页面
下到页底
晶体管查询