☆PLC梯形图中的数学运算指令与语句表中的数学运算指令有什么区别?
西门子S7-200系列PLC中,梯形图的数学运算指令用方框来表示,语句表中的数学运算指令用助记符表示。两种表达方式形式不同,且助记符也可能有较大差别。

图:数学运算指令在梯形图和语句表中的助记符
另外,数学运算指令在梯形图和语句表中的功能和使用方法也有所区别。在梯形图中,整数、双整数、实数的加法指令执行的运算为
IN1+IN2=OUT
在语句表中,加法指令执行的运算为
IN1+OUT=OUT
在梯形图中的加法指令的结果为两个输入端之和;在语句表中加法指令为输入量和输出量之和,在设计程序时应注意这些区别。
☆两台PLC如何建立通信?
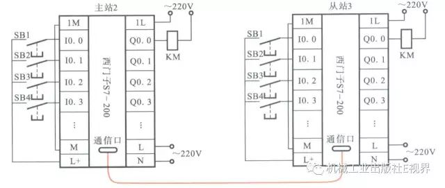
两台S7-200系列PLC建立通信,首先借助通信电缆将两台PLC的PORT0端口连接,通过PPI协议(点对点接口协议)实现PPI通信。

图:两台S7-200系列PLC之间的连接
根据通信指令模式,首先建立PPI主站模式(设置SMB30/SMB130通信端口),根据TBL数据表(状态字节、远程设备地址、数据指针、数据长度等)解析通信过程。

图:两台S7-200系列PLC的通信程序
☆PLC中SM0.1和SM0.3的区别是什么?
西门子S7-200系列PLC中,SM0.1和SM0.3均是仅在PLC从STOP到RUN时闭合一个扫描周期。两个特殊标志存储器的区别在于,SM0.1在PLC通电进入RUN模式和借助模式开关将PLC从STOP模拟切换到RUN模式时均闭合一个扫描周期;SM0.3仅在PLC通电进入RUN模式时闭合一个周期。

图:西门子S7-200系列PLC中SM0.1和SM0.3的区别
上图中,当PLC通电时,Q0.0和Q0.1均得电。若在PLC通电状态下,用模式开关使PLC由STOP模式切换到RUN模式时,只有Q0.0得电。
☆PLC控制电动机反接制动的语句表如何编写?
1.控制要求

2.划分控制关系,分配PLC语句表的I/O分配表
根据反接制动控制的要求,首先将各控制功能进行分解,并按其功能划分为起动和制动两个模块。
根据上述控制要求可知,输入设备主要包括起动按钮SB1、制动按钮SB2,热继电器热元件FR和速度继电器触点,因此,应有4个输入信号。
输出设备主要包括2个交流接触器,即控制电动机M起动交流接触器KM1和反接制动的交流接触器KM2,因此,应有2个输出信号。
将输入设备和输出设备的元件编号与三菱PLC语句表中的操作数(编程元件的地址编号)进行对应,填写西门子PLC语句表的I/O分配表。

图:电动机反接制动控制的西门子PLC语句表的I/O分配表
3.程序编写
电动机反接制动控制模块划分和I/O分配表绘制完成后,便可根据各模块的控制要求进行语句表的编写,最后将各模块语句表进行组合。
(1)电动机起动控制模块语句表的编程
控制要求:按下起动按钮SB1,控制交流接触器KM1得电,电动机M起动运转,且当松开起动按钮SB1后,仍保持连续运转;按下反接制动按钮SB2,交流接触器KM1失电,电动机失电;交流接触器KM1、KM2不能同时得电。

图:电动机起动控制模块语句表的编程
(2)电动机反接制动控制模块语句表的编程
控制要求:按下反接制动按钮SB2,交流接触器KM2得电,KM1失电,且松开SB2后,仍保持KM2得电;且要求电动机达到一定转速后,才可能实现反接制动控制。另外,交流接触器KM1、KM2不能同时得电。

图:电动机反接制动模块语句表的编程
将两个模块的语句表组合,整理后得到电动机反接制动PLC控制的语句表程序。

图:最终组合得到的电动机反接制动PLC孔至的语句表程序
4.特别提示
由于直接使用指令进行语句表编程比较抽象,因此大多数情况下编写语句表时通常与梯形图语言配合使用,即先编写梯形图程序,然后按照编程指令的应用规则进行逐条转换。

图:电动机反接制动PLC控制的梯形图程序
按照各编程指令的应用规则,将梯形图直接转换为语句表。基本原则:按照梯形图从上到下,从左到右的顺序逐一编写。

图:西门PLC梯形图向语句表的转换方法
另外,大部分编程软件中都能够实现梯形图和语句表的自动转换,因此可在编程软件中绘制好梯形图,然后通过软件进行“梯形图/语句表”转换。

图:使用编程软件转换梯形图和语句表
值得注意的是,在编程软件中,梯形图和语句表之间可以相互转换。基本所有的梯形图都可直接转换为对应的指令语句表;但指令语句表不一定全部可以直接转换为对应的梯形图,需要注意相应的格式及指令的使用。
☆PLC控制电动机连续工作的语句表如何编写?
有上面的详细介绍后,小编将对本段进行简化,若有疑问可以留言提出。


图:电动机连续控制的三菱PLC语句表I/O分配表

图:电动机M起停控制模块语句表的编程

图:运行指示灯RL控制模块语句表的编程

图:停机指示灯GL控制模块语句表的编程

图:组合完成的电动机连续控制语句表程序
☆PLC控制两台电动机顺序起动的语句表如何编写?


图:电动机顺序起动控制的三菱PLC语句表的I/O地址分配表

图:电动机M1起动和停机控制模块语句表的编程
图:时间控制模块语句表的编程

图:电动机M2起动和停机控制模块语句表的编程

图:组合完成的电动机顺序起动控制语句表程序

图:电动机顺序起动PLC控制的梯形图程序与语句表程序的转换


返回顶部
刷新页面
下到页底