电子开发网

电子开发网电子设计 | 电子开发网Rss 2.0 会员中心 会员注册
搜索: 您现在的位置: 电子开发网 >> 电子开发 >> 其他PLC >> 三菱PLC编程入门实例 >> 正文

学习三菱PLC的第一步入门:从软件安装到第一个小程序手把手教你

作者:佚名    文章来源:网络整理    点击数:    更新时间:2025/12/15

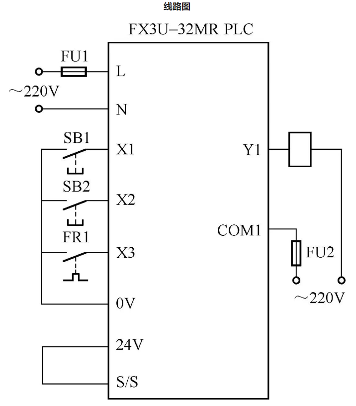
三菱软件安装

1.png

2.png

3.png

4.png

5.png

6.png

7.png

8.png

9.png

10.png

11.png

12.png

13.png

14.png

15.png

16.png

17.png

18.png

19.png

20.png

21.png

22.png

23.png

24.png

25.png

26.png

27.png

28.png

Tags:三菱PLC,GXworks2  
责任编辑:admin
  • 上一篇文章:
  • 下一篇文章: 没有了
  • 请文明参与讨论,禁止漫骂攻击,不要恶意评论、违禁词语。 昵称:
    1分 2分 3分 4分 5分

    还可以输入 200 个字
    [ 查看全部 ] 网友评论
    推荐文章
    最新推荐
    关于我们 - 联系我们 - 广告服务 - 友情链接 - 网站地图 - 版权声明 - 在线帮助 - 文章列表
    返回顶部
    刷新页面
    下到页底
    晶体管查询