将交流转换为直流的过程就是我们常说的整流。任何隔离式电源都有着整流模块,可以将壁式插座中的交流转为高压直流,或是降压交流转换为低压直流。进一步的过程还有滤波,DC-DC转换等等。所以,本文我们将来探讨全波整流的工作。与半波整流相比,全波整流的效率更高。
全波整流可以由以下两种方式实现。
1.中央抽头全波整流
2.桥式整流(使用4个二极管)

中央抽头全波整流电路

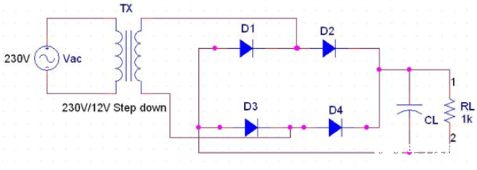
桥式全波整流电路
如果一个电路的两支与第三支相连从而组成一个循环,则该网络被称为桥式电路。以上两者最常用的为使用4个二极管的桥式整流电路,因为使用两个二极管的需要一个中央抽头的变压器,而且与桥式相比并不可靠。二极管桥也可以以单一封装的元件实现,比如DB102,GBJ1504,KBU1001等等。
在输出为同样滤波电路的情况下,让纹波系数减少还是桥式整流电路可靠一些。日常交流电的频率为50/60Hz,且都是正弦波。波形如下图所示。

全波整流的工作原理
现在让我们来看低幅度交流电压的整流,比如15V有效值的交流电压(21V峰峰值电压)用二极管桥整流为直流电压。交流源的波形可以被分为正半周和负半周。所有的电压,电流都有数字万用表测出有效值。仿真图如下。

仿真图
正半周时,D2和D3会导通,而负半周时,D4和D1会导通。因此,整流后的输出波形如下。

输入和输出波形
为了减少波形上的纹波,或为了让波形更加连续,我们需要在输出加入一个电容滤波器。电容与负载并联,从而保证输出端电压的稳定性。这样,输出端的纹波就会减少。
加入一个1uF的电容作为滤波器

全波整流电路加入电容滤波器的仿真图
1uF电容对输出的滤波有限,因为1uF所能存储的能量很少。以下是滤波波形。

输入与输出波形
考虑到输出仍存在纹波,所以我们打算以不同容值的电容来测试输出。以下是不同容值电容测试出的纹波减少波形。

输入与输出波形
输出波形:绿色-1uF 蓝色-4.7uF 芥绿色-10uF 深绿色-47uF
有电容下的电路运作方式
在信号的正半周和负半周,二极管都会导通电容充电的同时,负载也会获得供电。而向电容内存储能量的瞬时电压间隔要高于电容向外部供电的瞬时电压间隔。电容存储的能量越多,则输出波形上的纹波越少。
纹波系数的理论计算公式如下,
纹波系数=Idc/(2 x R x f x Cout x Idc)
我们带入以下参数并与以上波形对比:
R=1kΩ f=100Hz Cout=1uF Idc=15mA
因此,纹波系数为5V
纹波系数的差异可以用高容值的电容来补偿。全波整流的效率在80%以上,也就是半波整流的两倍。
桥式全波整流电路所需元器件
220V/15V的交流降压变压器
1N4007二极管 x 4
电阻
电容
MIC RB156
此处,15V的有效电压的峰值电压为21V。所以所有器件的额定电压应该在25V以上。
电路的工作原理
降压变压器
降压变压器由叠片铁芯上的初级线圈和次级线圈组成。初级线圈的匝数高于次级线圈。每个线圈的角色都相当于单独的电感。当初级线圈通交流电时,就会产生磁通量。次级线圈在磁通量的变化下产生感应电动势。这股感应电动势流入与其相接的外部电路。匝数比和线圈的电感决定了初级线圈产生的磁通量和次级线圈产生的感应电动势。
插座里传来的220V交流电在该变压器的运作下降至15V交流电。这股交流电随后通入下面的整流电路。
无滤波器的全波整流电路
对应的负载电压为12.43V,因为这是有间断波形的平均输出电压。

加入滤波器的全波整流电路

1.当CL=4.7uF时,纹波减少所以平均电压提升至15.78V。

2.当CL=10uF,纹波进一步减少,平均电压为17.5V。

3.当CL=47uF时,平均电压为18.92V。

4.当CL=100uF时,增加电容阻值已经影响不大,波形已逐渐平缓而且纹波已经很低,平均电压为19.01V.



返回顶部
刷新页面
下到页底