三相桥式全控整流电路是从三相半波可控整流电路发展起来的,实质上是一组共阴极与一组共阳极(三个晶闸管阴极分别接至整流变压器星形接法的副边三相绕组,阳极连在一起接至副边星形的中点)的三相半波可控整流电路的串联。
1.电感性负载
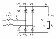
三相桥式全控整流电路主回路接线如图1所示。三相整流变压器△/Y接法,以利减小变压器磁通、电势中的谐波。整流桥由6只晶闸管组成,以满足整流元件全部可控的要求。由于习惯上希望晶闸管的导通按1→2→3→4→5→6顺序进行,则晶闸管应按图示进行标号。分析中假定,ωLd>>Rd,为大电感负载,负载电流id连续平直。

图1 三相桥式全控整流电路
(1) α=0°
图2为α=0°时,大电感负载下的电压、电流波形。三相桥式电路在任何时刻必须有两个晶闸管同时导通,一个在共阴极组,一个在共阳极组以构成回路。这样,负载上获得的是相应相间的线电压。比较相、线电压波形可以看出,相电压的交点与线电压的交点在同一位置上,使得线电压的交点同样也是自然换流点。这样,分析三相桥式全控电路工作过程时,可以直接在线电压波形上根据给定控制角来求取直流电压波形。

图2 三相桥式全控整流电路波形(电感性负载,α=0°)
(2) 0°<α ≤60°
图3为α=30°时的整流电路电压波形,其中直流电压ud波形可以直接从线电压u<?XML:NAMESPACE PREFIX = ST1 />2l波形上分析求得。图3还给出了负载电流id、晶闸管VT1上电流iT1及变压器副边a相电流ia的波形。

图3 三相桥式全控整流电路波形(电感性负载,α =30°)

图4 三相桥式全控整流电路波形(电感性负载,α=60°)
(3) α>60°
α>60°后,线电压瞬时值将过零变负,此时由于流过负载电感Ld中的电流有减小趋势,使得Ld上感应出顺晶闸管单向导电方向的自感电势eL,这样作用在导通晶闸管对上的阳极电压为(u2L+eL)。由于负载电感足够大,使得在下一对晶闸管触发导通之前能保证(u2L+eL)>0,尽管线电压过零变负,仍能保证原导通的晶闸管对继续导通,直流电压ud中出现了负电压波形。图5为α = 90°时的ud与uT1电压波形。

图5 三相桥式全控整流电路波形(电感性负载,α=90°)
(4) 基本数量关系
直流平均电压Ud计算如下
(1)
由上式可见三相桥式全控整流电路带电感负载时的移相范围为90°。
晶闸管电流与三相半波时相同,即晶闸管电流平均值为
(2)
晶闸管电流有效值为
(3)
变压器次级绕组电流为正、负对称的矩形波电流,其平均值为零,有效值为
(4)
晶闸管承受的最大正、反向峰值电压与三相半波时相同,为线电压峰值
(5)
(5) 对触发脉冲的要求
在电感性负载下每个晶闸管各导通1/3周期(120°),共阴极与共阳极组同相元件导通时间上互差半个周期(180°),使得三相整流电路中的晶闸管将按1→2→3→4→5→6的顺序导通,且两相邻序号晶闸管的导通时间上互差60°。这样一个导通的顺序也就是各元件上门极触发脉冲的顺序,触发电路必须按此顺序依次将触发信号施加到对应晶闸管门极之上。
整流电路在正常工作中,后一号元件触发导通时前一号元件正在工作,确保了任何时刻共阳极组和共阴极组都各有一元件导通以构成回路。但电源刚合闸时,必须同时触发一对晶闸管电路才能启动。此外在电阻性负载α>60°后,电流将出现断续,电路中电流每次均是从无到有,都相当于一次电路启动。为了保证整流电路合闸后能正常启动或者电流断续后能再次导通,必须使共阳极组及共阴极组内应导通的一对晶闸管同时具有触发脉冲。

图6 三相桥式全控整流电路的触发脉冲(α=0˚)
有两种脉冲形式可以达到这一要求:一种是采用宽度大于60°而小于120°的宽脉冲触发,如图6b)所;另一种方法是在触发某一号晶闸管时,同时给前一号晶闸管补发一脉冲。如图6
2.电阻性负载
(1) α≤60°
设负载电阻大小为Rd。当α≤60°时,直流电压ud及直流电流id连续,每个晶闸管导通120°,直流电压、晶闸管上承受的电压与电感性负载时相同。图7给出了α=60°时的波形图。可以看出,α=60°是电阻负载下电流连续与否的临界点。当α>60°后,由于线电压过零变负时,无负载电感产生的自感电势保证晶闸管继续承受正向阳极电压,元件即被阻断,输出直流电压为零,电流变为不连续,不再出现电感负载时那种ud为负值的情况。

图7 电阻性负载(α=60°)
(2) α=90°
图8给出了α=90°时的电压波形、晶闸管VT1的电流iT1及电压uT1波形。

图8 电阻性负载(α=90°)


返回顶部
刷新页面
下到页底