一、西门子s7-200plc中断指令的用法与步骤
西门子s7-200plc中断指令如何使用?
假设有一个外部按钮接在了I0.0的端子上,当按下I0.0端子的那一刻想立刻做某件事,那么,首先查中断事件号,得到0号事件对应的就是I0.0按下的事件,则用ATCH 指令,在EVEN,参数中写入0,在INIT 参数中写入INT_0,含义是,当I0.0闭合的那一瞬间,立刻进入INT_0这个中断程序去执行程序。
然后,在开总中断,(ENI)指令就是开总中断,使用S7-200PLC的中断一般有3个步骤:
1步,中断连接,使用ATCH指令
2步,开总中断
3步,在要调用的中断程序中,编写程序
二、西门子s7-200 plc的中断控制功能
plc的程序分为主程序、子程序和中断程序,本节为大家带来西门子s7-200系列plc中断程序的编程方法,不同种类的中断程序的实现方法。
熟练的使用中断程序是plc编程的一项必要技能。
s7-200的中断包括定时中断,io中断和通讯中断。其中io中断可以通过外部的io点来触发中断子程序。可以设置成几种模式,例如上升沿触发,下降沿触发等。定时中断是固定时间间隔便触发一次中断程序。通讯中断可以在数据接收或发送完成时或报文接收完成时触发中断程序。
定时中断是测量周期的一个很重要的工具。
在使用编码器测速度时也要用到定时中断,即用周期和脉冲数的比例关系来计算速度。
定时中断的中断号为10(定时中断0),11(定时中断1),21(定时器t32中断),22(定时器t96中断)。
通讯中断的实现:
s7-200的自由口通讯需要设置相应的中断来判断通讯是否正常。
通讯分为三种即字符发送和接受完成,报文接受完成。其中断号为口1为8,9,23,口2为25,26,24。
三、 S7-200中断分离指令(DTCH)的作用
执行中断分离程序,是不是就不会进入中断?
执行中断指令后,就不能执行中断了,即不能ATCH了。
四、S7-200 PLC定时中断功能编制程序
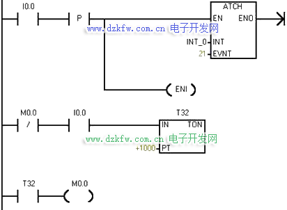
利用定时中断功能编制一个程序,实现功能:当I0.0由OFF→ON,Q0.0亮1s,灭1s,如此循环反复直至I0.0由ON→OFF,Q0.0变为OFF。
程序如图1所示。
主程序
LD I0.0
EU
ATCH INT_0, 21
ENI
LDN M0.0
A I0.0
TON T32, +1000
LD T32
= M0.0
LD I0.0
ED
DTCH 21
DISI
INT0
LDN Q0.0
= Q0.0


返回顶部
刷新页面
下到页底