学PLC我们如果不了解PLC的扫描过程以及工作原理是很难合理巧妙的编写PLC程序,PLC的工作过程是从上至下,从左至右,逐行扫描,统一输出。最后是把输出结果输出至外围端子上。
下面通过一个简单的案例进行练习,有助于更深刻的理解其位逻辑指令的含义。
示例控制要求描述:
单按钮控制四台电机逆序启动、顺序停止;下图所示要求每次按下按钮启动一台电机,启动顺序为4-3-2-1;四台电机全部启动后,再每按一次按钮停止一台电机,停止顺序为1-2-3-4;当按下急停按钮,所有电机全部停止。
输送带顺启逆停示意图
IO地址定义:
根据控制要求描述的分析,可建立如下表所示的I/O地址分配表。
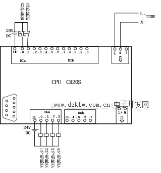
PLC接线图:
如下图所示为本例中的PLC接线图,在本例中电机的过载信号并未涉及到,读者可根据实际要求添加故障过载信号,本例涉及到的启停按钮所接的为常开按钮;急停信号外部信号则使用的是常闭型,因此在程序中正常时使用常开触点。
PLC接线图
程序设计思路及参考程序:
设计思路:
从示例要求分析,要求一个按钮分别启停4台电机,可以分为启动和停止两部分去实现。因为启停均为同一个按钮,那在最后一台电机启动后需要激活一个启动完成标志位,当再按下按钮时才能停止电机。同时要求是每按一次按钮启动或停止一台电机,因此需要涉及到沿脉冲信号;最后需要根据扫描周期的原理,后一台的启动需要前一台的运行条件;而停止时则是先停最后一台启动的电机,所以前一台的断开信号是停止后一台的条件;具体参考程序如下图所示。
西门子S7-200 Smart PLC扫描原理实现单按钮控制N台电机,单按钮多控制,单按钮多开


返回顶部
刷新页面
下到页底