实现传送带顺序启动与停止的plc梯形图,该程序使用定时器(t)来做为延时启动与停止的控制元件,传送带顺序启动与停止的plc梯形图 12-1,附有程序说明。
一个传送带顺序启动与停止的梯形图
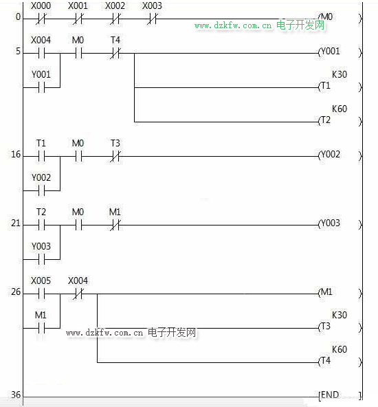
说明:该程序使用定时器(t)来做为延时启动与停止的控制元件。
程序:
元件介绍:
x0为急停按钮;
x1、x2、x3为三个电机的热继电器;
x4为启动按钮;
x5为停止按钮;
y1、y2、y3为电动机接触器;
程序说明:
1、当急停及热继电器处于接通状态,m0辅助继电器得电。
2、按下启动按钮x4信号接通,y1继电器得电。同时t1、t2接通。
3、当t1的延时时间到后,y2继电器得电。
4、当t2的延时时间到后,y3继电器得电。
至此,三台电动机顺序启动完成。
5、当按下停止按钮x5信号接通,m1辅助继电器得电控制y3继电器断开,同时接通t3、t4定时器。
6、当t3的延时时间到后,y2继电器断开。
7、当t4的延时时间到后,y1继电器断开。
至此,三台电动机顺序停止完成。
8、当按下急停按钮或热继电器断开,三台电机同时断电。


返回顶部
刷新页面
下到页底