有关plc梯形图程序的经验设计法,根据被控对象的要求,在典型单元程序的基础上,做修改与完善,适用于简单梯形图程序的设计,以运料小车控制系统的梯形图、两处卸料的小车控制系统的梯形图为例。
plc梯形图程序的经验设计法
程序的经验设计法是根据被控对象的要求,在典型单元程序的基础上,做一定的修改和完善。适用于简单梯形图程序的设计。
特点:程序的设计质量和耗费的时间与设计者的经验有很大关系,同时梯形图的可读性差。
一、运料小车控制系统的梯形图设计
要求:运料小车在sq1处装料(20s),然后开始右行;到达sq2后卸料(15s),然后开始左行;这样不停往复工作,直到按下停止按钮。
1、分析控制要求,确定输入、输出设备,绘制i/o接线图:
1)要实现小车的左右往复运动,只要对小车的拖动电动机实现正反转控制即可。这里用两个接触器分别控制小车左行(km2)右行(km1)。
2)系统的起动(左sb2、右sb1)、停止(sb3)需要三个按钮,起点和终点处的两个行程开关是用来自动控制小车的往复运动的,也应作为输入设备。
即:sb1—小车右行起动按钮 sb2—小车左行起动按钮
sb3—小车停止按钮sq1—左终点行程开关 sq2—右终点行程开关。
2、典型单元梯形图程序的引入
小车的左右往复运动控制就是电动机的正反转控制(软件互锁、硬件互锁)。
3、修改、完善以满足控制要求:
1)小车在两处装料、卸料需要延时,应增加定时器。
2)延时结束,小车要能自动继续左行或右行,应在y2和y3线圈前加入定时器的延时触点。
3)小车到达sq1或sq2处要能自动停下,应在y2和y3线圈前加入相应行程开关的常闭触点。
4)、若小车停在sq1或sq2处,就算曾经按下停止按钮,小车仍然会自行起动。
解决方法:增加辅助继电器记忆起动信号。
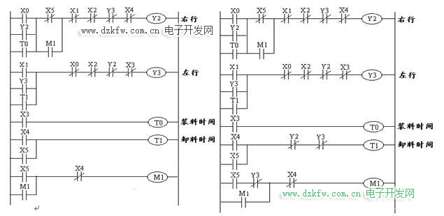
二、两处卸料的小车控制系统的梯形图设计
要求:运料小车第一次右行在sq3处卸料;第二次右行在sq2处卸料。
1、分析控制要求,确定输入、输出设备,绘制i/o接线图:与上例比较可知,要实现两处卸料,增加了行程开关sq3,故只要在上例i/0图的基础上将sq3连接到plc的输入端x5。
2、修改、完善以满足控制要求:
1)要实现两处卸料,重要的是判断小车右行时在sq3处是否需要停。可增加一个辅助继电器(m1)来记忆小车是否到过sq3(m1+),或sq2(m1—)。
2)小车到达sq2处,回头左行时会压下sq3,使m1+,导致小车第三次右行压下sq3时不停。
3)小车左行或第二次右行经过sq3时会使t1瞬间得电,非控制要求。
4)若小车停在sq1或sq2处,就算曾经按下停止按钮,小车仍然会自行起动。
解决方法:增加辅助继电器记忆起动信号
缺点:易漏掉某些环节,设计出的梯形图可读性差,只适用来设计一些简单的程序。


返回顶部
刷新页面
下到页底