电子开发网

电子开发网电子设计 | 电子开发网Rss 2.0 会员中心 会员注册
搜索: 您现在的位置: 电子开发网 >> 电子开发 >> 梯形图实例 >> 正文

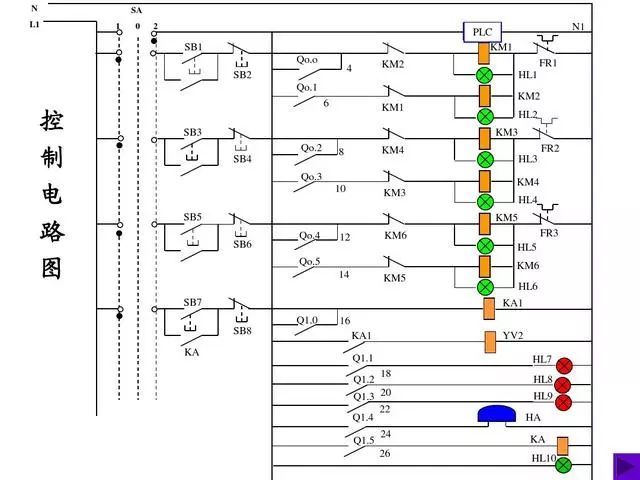
西门子smart plc恒压供水梯形图实例_PLC经典编程实例——双恒压无塔供水

作者:佚名    文章来源:本站原创    点击数:    更新时间:2022-01-01

PLC和变频器都是工业控制中最常用的设备,二者可以单独使用,也可以密切配合,都能够达到自动化控制的目的,应用非常的广泛,今天就举一个具体的例子:双恒压无塔供水系统,这个系统是由变频器和PLC密切配合才能完成的,一般都在大的项目上使用。

Tags:西门子PLC,恒压供水,梯形图实例  
责任编辑:admin
相关文章列表
西门子s7-200同一数据源不同时间的比较方法 梯形图实例
西门子PLC的bcd_di指令
西门子PLC  S7 PLC移位寄存器指令(SHRB)
西门子PLC整数乘法指令(MUL_I)和整数除法指令(DIV_I)
西门子PLC整型数比较指令,CMP指令
西门子PLC一键启停编程梯形图
直观易懂的梯形图实例,点动与自锁控制的PLC程序,plc点动自锁
西门子PLC自锁控制应用程序 plc自锁点动梯形图实例
西门子plc流量累积计算程序梯形图实例
西门子plc中R复位线圈指令符号与状态字
西门子plc数据块传送指令的用法举例
西门子plc有记忆接通延时定时器指令的用法举例 梯形图实例
西门子plc堆栈指令的用法梯形图实例
西门子plc指令英文全称及含义中文说明
三菱plc定时器与脉冲程序编程梯形图实例
西门子plc S7-200PLC中断指令介绍 开关中断、连接分离中断
基于西门子PLC的温度检测和控制系统原理及梯形图实例
S7-200模拟量比例换算及模拟量编程梯形图实例 4-20mA编程
PLC的自带触点,为啥非要再加一个中间继电器,你知道原因吗?
接近开关是PNP还是NPN,与PLC怎么连接,PNP接近开关和NPN接近开关
PLC交通灯梯形图实例_ plc控制红绿灯毕业论文_ plc控制交通信号灯
PLC闪光电路编程实例 梯形图实例
用PLC改造M7120平面磨床电路 附梯形图实例
西门子plc的 V存储区和M存储区的区别
西门子PLC字整数与双字整数之间的转换、双整数与实数之间的转换
西门子PLC整数与双整数加减法指令简介 西门子plc指令
西门子S7-200系列PLC增减计数器练习 梯形图实例
西门子S7-200系列PLC减计数指令入门教程  梯形图实例CTD
西门子S7-200系列PLC计数器练习第一部分  梯形图实例CTU
PLC的集中与分散控制梯形图编程实例
请文明参与讨论,禁止漫骂攻击,不要恶意评论、违禁词语。 昵称:
1分 2分 3分 4分 5分

还可以输入 200 个字
[ 查看全部 ] 网友评论
最新推荐
关于我们 - 联系我们 - 广告服务 - 友情链接 - 网站地图 - 版权声明 - 在线帮助 - 文章列表
返回顶部
刷新页面
下到页底
晶体管查询