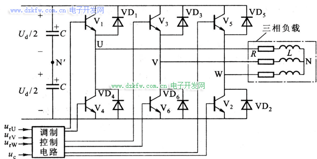
如上图所示为三相桥式PWM逆变电路,功率开关器件为GTR,负载为电感性。从电路结构上看,三相桥式PWM变频电路只能选用双极性控制方式,其工作原理如下:
三相调制信号urU、urV和urW为相位依次相差120°的正弦波,而三相载波信号是公用一个正负方向变化的三角形波uc,如图6-23所示。U、V和W相自关断开关器件的控制方法相同,现以U相为例:在urU>uc的各区间,给上桥臂电力晶体管V1以导通驱动信号,而给下桥臂V4以关断信号,于是U相输出电压相对直流电源Ud中性点N’为uUN’ =Ud/2。在urU<uc的各区间,给V1以关断信号,V4为导通信号,输出电压uUN’ =-Ud/2。电路中VD1~VD6二极管是为电感性负载换流过程提供续流回路,其它两相的控制原理与U相相同。三相桥式PWM变频电路的三相输出的PWM波形分别为uUN’、uVN’和uWN’。


返回顶部
刷新页面
下到页底