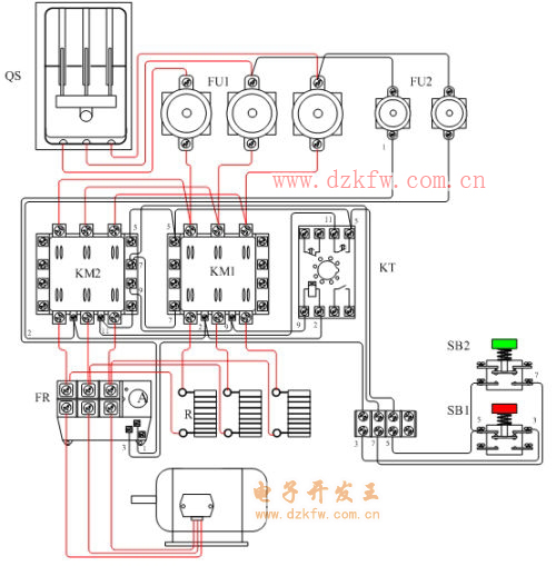
对容量不是很大的鼠笼异步电动机也可以采用启动时给定子电路中串联降压电阻(或电抗器)的办法来启动电动机,待电动机启动结束时再将电阻(或电抗器)短接掉。
由于在电阻上有热能的损耗,如果用电抗器则体积、成本又较大,因此这种串电阻降压启动电动机的方法目前很少被采用。下图所示的为串电阻降压启动原理线路图:

电动机定子串电阻降压启动接线图

对容量不是很大的鼠笼异步电动机也可以采用启动时给定子电路中串联降压电阻(或电抗器)的办法来启动电动机,待电动机启动结束时再将电阻(或电抗器)短接掉。
由于在电阻上有热能的损耗,如果用电抗器则体积、成本又较大,因此这种串电阻降压启动电动机的方法目前很少被采用。下图所示的为串电阻降压启动原理线路图:

电动机定子串电阻降压启动接线图
