某大厦旋转餐厅,采用两台双速电机并列驱动。
在安装调试过程中,其中一台被烧毁,修复后重新安装试车,发现其高速运转正常,而低速运转时却出现电流增大、噪音大、严重发烫的现象。
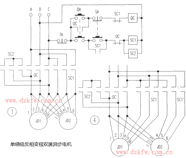
该设备的控制电路如图1。电机采用2Y/1△单绕组反相变极双速异步电机。其内部接线图如图2,外部接线图如图3。

控制电路的工作原理是:按下SA,SC1、SC2同时得电吸合。JD1、JD2的4、5、6端通过SC1分别接三相电源的A、B、C端,1、2、3端则通过SC2短接,电机按2Y接法高速运转;当按下QA时,SC1、SC2失电释放,QC吸合,JD1、JD2的1、2、3端分别通过Qc接A、B、C三相电源,而4、5、6端与A、B:C电源断开,电机按l△形式运行。
从电路分析,似乎一切正常,而实际则不然。
对于一般电机的并联运行,通常只需根据电机的转向确定其相序,即可正常运转。如两台电机并联运行时,其中一台相序接成A、B、c,而另一台可以接成A、B、C,也可按成B、C、A或C、A、B。而双速电机由于其内部电路的特殊性,必须与普通电机有所区别,从图2、图3可以看出,当电机以2Y方式高速运转时,其接法与一般电机的Y形接法相似,而当其用l△接法低速运转时,JD1、JD2的1、2、3端分别接A、B、C,其4、5、6端通过SC1接点与A、B、C电源断开。
从电工原理的知识得知,“6”端是绕组“1-2”的中点,6、l两端电压U6-1=U2-1/2=UB-A/2,同理,有U5-2=UC-B/2,U4-3=UA-C/2。也就是说,若分别以1、2、3端为参考点,则6、5、4端的电位分别是UB-A/2、UC-B/2、UA-C/2。
由此可见,只有两台电机的结构、工艺及其他指标完全相同,其4、5、6端的电位才会分别相等,但这是很难做到的。若两台电机在结构或工艺上略有差异,则两者的4、5、6端的电位也会略有差异(上述公式成了近似式),此时如将两台电机的4与4、5与5、6与6用导线连接起来,就会有附加电流流过绕组,造成旋转磁场紊乱,出现电流大、噪声大的现象,甚至烧毁电机。该餐厅的两台电机按图l接线,造成第一次烧坏,制箱时多加分析,或安装电工多一些理论知识,则以上情况完全可避免。
最佳处理方法是将JD1、JD2的4、5、6端分别用两台接触器控制,接法见图4。这样,在两台电机按△接法低速运转时,由于4与4、5与5、6与6之间是断开的,即使对应端间存在电位差,绕组中也不会有附加电流流过,因而不会影响电机的正常运转。



返回顶部
刷新页面
下到页底