cd4069是6反相器电路,由六个COS/MOS反相器电路组成。此器件主要用作通用反相器、即用于不需要中功率TTL驱动和逻辑电平转换的电路中,(非门,1输入、1输出)主要用于数字电路中反相的作用。

反相器是逻辑电路的一种芯片,输入高电平输出低电平,输入低电平输出高电平。
1、反相器是可以将输入信号的相位反转180度,这种电路应用在模拟电路,比如说音频放大,时钟振荡器等。在电子线路设计中,经常要用到反相器。
2、CMOS反相器由两个增强型MOS场效应管组成,其中V1为NMOS管,称驱动管,V2为PMOS管,称负载管。 NMOS管的栅源开启电压UTN为正值,PMOS管的栅源开启电压是负值,其数值范围在2~5V之间。为了使电路能正常工作,要求电源电压UDD》(UTN+|UTP|)。UDD可在3~18V之间工作,其适用范围较宽。
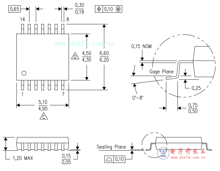
cd4069引脚图及封装


cd4069引脚说明

cd4069引脚功能图




返回顶部
刷新页面
下到页底