7448/74LS48中文资料(引脚图,真值表及内部结构原理图)
7段显示译码器74LS48是输出高电平有效的译码器,其真值表如表1。
74LS48/SN74LS48 引脚功能图
工作电压:5V
74LS48除了有实现7段显示译码器基本功能的输入(DCBA)和输出(Ya~Yg)端外,7448还引入了灯测试输入端(LT)和动态灭零输入端(RBI),以及既有输入功能又有输出功能的消隐输入/动态灭零输出(BI/RBO)端。
由7448真值表可获知7448所具有的逻辑功能:
(1)7段译码功能(LT=1,RBI=1)
在灯测试输入端(LT)和动态灭零输入端(RBI)都接无效电平时,输入DCBA经7448译码,输出高电平有效的7段字符显示器的驱动信号,显示相应字符。除DCBA = 0000外,RBI也可以接低电平,见表1中1~16行。
(2)消隐功能(BI=0)
此时BI/RBO端作为输入端,该端输入低电平信号时,表1倒数第3行,无论LT 和RBI输入什么电平信号,不管输入DCBA为什么状态,输出全为“0”,7段显示器熄灭。该功能主要用于多显示器的动态显示。
(3)灯测试功能(LT = 0)
此时BI/RBO端作为输出端, 端输入低电平信号时,表1最后一行,与 及DCBA输入无关,输出全为“1”,显示器7个字段都点亮。该功能用于7段显示器测试,判别是否有损坏的字段。
(4)动态灭零功能(LT=1,RBI=1)
此时BI/RBO端也作为输出端,LT 端输入高电平信号,RBI 端输入低电平信号,若此时DCBA = 0000,表1倒数第2行,输出全为“0”,显示器熄灭,不显示这个零。DCBA≠0,则对显示无影响。该功能主要用于多个7段显示器同时显示时熄灭高位的零。
表1:
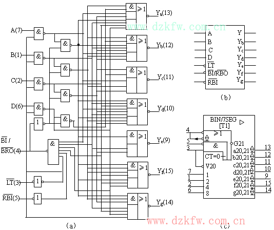
图2 7段显示译码器7448(a)逻辑图(b)方框图(c)符号图
图2给出了7448的逻辑图,方框图和符号图。由符号图可以知道,4号管脚端具有输入和输出双重功能。作为输入(BI)低电平时,G21为0,所有字段输出置0,即实现消隐功能。作为输出(RBO),相当于LT,及CT0的与坟系,即LT=1,RBI=0,DCBA=0000时输出低电平,可实现动态灭零功能。3号(LT)端有效低电平时,V20=1,所有字段置1,实现灯测试功能。


返回顶部
刷新页面
下到页底