1.任务描述
三菱PLC电动机Y-△启动控制(三菱FX-PLC)三菱PLC星三角启动,三相异步电动机Y-△降压启动的电路图如下图所示,现用三菱PLC对其进行改造,找出所有的输入量输出量,分配I/O地址,并设计出相应的I/O接线图和PLC梯形图程序。
2.I/0地址分配
| 输入地址 | 输出地址 | ||
| X000 | 停止按钮 | Y000 | 供电电源KM1 |
| X001 | 启动按钮 | Y001 | 星形运行KM3 |
| X002 | 电机过载保护 | Y002 | 三角形运行KM2 |
3.I/O接线图
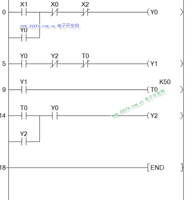
4.程序
三菱PLC星三角启动梯形图
5.程序解析
按下启动按钮X001,Y000接通为三相异步电动机提供电源,Y000接通之后,Y001得电,三相电动机星形运行,同时PLC软元件定时器开始计时,5S钟后,时间计时达到,Y001断开电机星形运行停止,同时Y002得电,电动机三角形运行。当按下停止按钮Y000、Y001、Y002都失电断开,电动机停止运行。当电动机过载时,X002接通,Y000、Y001、Y002都断开,电动机停止运行。


返回顶部
刷新页面
下到页底