一、控制目的
用PLC构成天塔之光控制系统
图1 天塔之光控制示意图
二、控制要求及IO分配
1. 控制要求
2. I/O分配
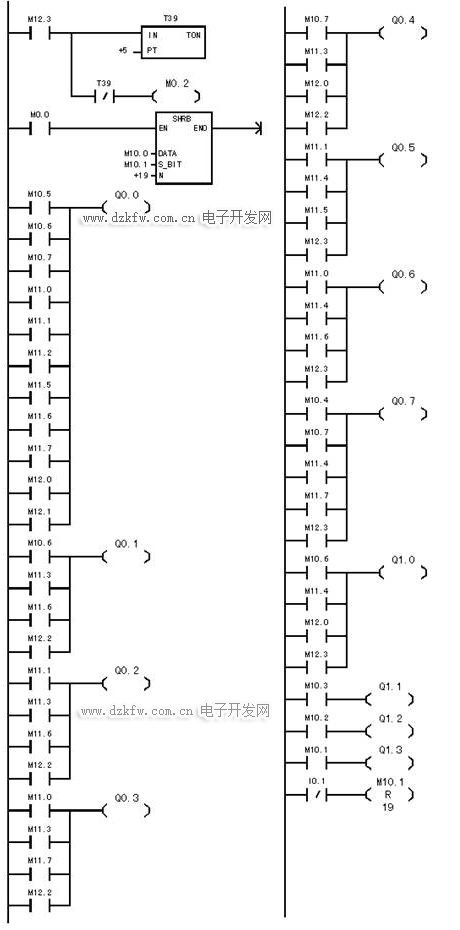
三、天塔之光控制语句表
|
1 |
LD |
I0.0 |
31 |
O |
M11.7 |
62 |
O |
M11.6 |
|
2 |
O |
M0.1 |
32 |
O |
M12.0 |
63 |
O |
M12.3 |
|
3 |
A |
I0.1 |
33 |
O |
M12.1 |
64 |
= |
Q0.6 |
|
4 |
= |
M0.1 |
34 |
= |
Q0.0 |
65 |
LD |
M10.4 |
|
5 |
LD |
M0.1 |
35 |
LD |
M10.6 |
66 |
O |
M10.7 |
|
6 |
AN |
M0.0 |
36 |
O |
M11.3 |
67 |
O |
M11.4 |
|
7 |
TON |
T37,+5 |
37 |
O |
M11.5 |
68 |
O |
M11.7 |
|
8 |
LD |
T37 |
38 |
O |
M12.2 |
69 |
O |
M12.3 |
|
9 |
= |
M0.0 |
39 |
= |
Q0.1 |
70 |
= |
Q0.7 |
|
10 |
LD |
M0.1 |
40 |
LD |
M11.1 |
71 |
LD |
M10.6 |
|
11 |
TON |
T38,+10 |
41 |
O |
M11.3 |
72 |
O |
M11.4 |
|
12 |
AN |
T38 |
42 |
O |
M11.6 |
73 |
O |
M12.0 |
|
13 |
= |
M1.0 |
43 |
O |
M12.2 |
74 |
O |
M12.3 |
|
14 |
LD |
M1.0 |
44 |
= |
Q0.2 |
75 |
= |
Q1.0 |
|
15 |
O |
M0.2 |
45 |
LD |
M11.0 |
76 |
LD |
M10.3 |
|
16 |
= |
M10.0 |
46 |
O |
M11.3 |
77 |
= |
Q1.1 |
|
17 |
LD |
M12.3 |
47 |
O |
M11.7 |
78 |
LD |
M10.2 |
|
18 |
TON |
T39,+5 |
48 |
O |
M12.2 |
79 |
= |
Q1.2 |
|
19 |
AN |
T39 |
49 |
= |
Q0.3 |
80 |
LD |
M10.1 |
|
20 |
= |
M0.2 |
50 |
LD |
M10.7 |
81 |
= |
Q1.3 |
|
21 |
LD |
M0.0 |
51 |
O |
M11.3 |
82 |
LDN |
I0.1 |
|
22 |
SHRB |
M10.0,M10.1,+19 |
52 |
O |
M12.0 |
83 |
R |
M10.1,19 |
|
53 |
O |
M12.2 |
|
|
| |||
|
23 |
LD |
M10.5 |
54 |
= |
Q0.4 |
|
|
|
|
24 |
O |
M11.6 |
55 |
LD |
M11.1 |
|
|
|
|
25 |
O |
M11.7 |
56 |
O |
M11.4 |
|
|
|
|
26 |
O |
M11.0 |
57 |
O |
M11.5 |
|
|
|
|
27 |
O |
M11.1 |
58 |
O |
M12.3 |
|
|
|
|
28 |
O |
M11.2 |
59 |
= |
Q0.5 |
|
|
|
|
29 |
O |
M11.5 |
60 |
LD |
M11.0 |
|
|
|
|
30 |
O |
M11.6 |
61 |
O |
M11.4 |
|
|
|
四、天塔之光控制梯形图


返回顶部
刷新页面
下到页底