电子开发网

电子开发网电子设计 | 电子开发网Rss 2.0 会员中心 会员注册
搜索: 您现在的位置: 电子开发网 >> 电子开发 >> 梯形图实例 >> 正文

三菱FX系列PLC计数器应用梯形图举例

作者:佚名    文章来源:本站原创    点击数:    更新时间:2019-02-19

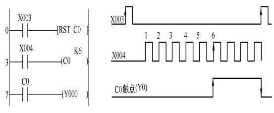
说明:三菱plc的X3使计数器C0复位,C0对X4输入的脉冲计数,输入的脉冲数达到6个,计数器C0的常开触点闭合,Y0得电动作。X3动作时,C0复位,Y0失电。

三菱FX系列PLC计数器应用梯形图举例 

Tags:三菱plc,FX系列,PLC计数器  
责任编辑:admin
  • 上一篇文章:
  • 下一篇文章: 没有了
  • 相关文章列表
    三菱FX系列PLC的定时器(T)的基本使用方法举例
    三菱PLC的FX2N型PLC中累计定时器的使用
    三菱PLC定时器(T)的工作原理及使用注意事项
    三菱FX系列PLC的特殊继电器M8000 M8001 M8002
    三菱PLC十字路口交通信号灯控制程序梯形图
    三菱PLC传送指令MOV和比较指令CMP程序设计
    三菱plc基本指令编程-累计按钮通断次数的梯形图程序
    三菱PLC运用步进指令编写顺序控制程序梯形图实例
    三菱plc三菱FX3UPLC输出接线
    三菱PLC控制步进电机实例及梯形图讲解
    三菱plc接线图,三菱FX3UPLC输入接线
    三菱PLC编程应用实例,三菱plc接线图和梯形图实例
    三菱plc输入输出接线图
    三菱PLC电源端子的接线方法图解
    三菱的FX1S PLC控制步进电机
    FX2N系列PLC的浮点COS运算指令
    三菱plc之FX系列PLC在机械手臂控制系统中的应用
    三菱plc 皮带运输机的FX系列PLC控制
    三菱PLC四种顺序控制编程方式梯形图实例
    三菱PLC  FX2N小型SBR废水处理PLC电气控制系统设计及梯形图
    三菱FX2N系列PLC编程元件分类和编号
    三菱FX PLC功能指令表
    三菱PLC  FX2N-48MR PLC对呼叫小车控制,plc送料小车梯形图设计
    三菱PLC 三菱FX2N系列PLC的外部接线
    PLC的报警电路程序设计_PLC报警梯形图
    三菱PLC 小车自动寻址控制的PLC程序设计
    三菱PLC FX2N系列PLC的电动机自锁控制程序(梯形图和接线图)
    【图解】三菱PLC FX2N系列逻辑指令用法
    三菱PLC三菱fx系列plc的27条逻辑指令用法说明
    三菱PLC三菱fx系列plc堆栈指令(MPS,MRD,MPP)的功能与用法
    请文明参与讨论,禁止漫骂攻击,不要恶意评论、违禁词语。 昵称:
    1分 2分 3分 4分 5分

    还可以输入 200 个字
    [ 查看全部 ] 网友评论
    关于我们 - 联系我们 - 广告服务 - 友情链接 - 网站地图 - 版权声明 - 在线帮助 - 文章列表
    返回顶部
    刷新页面
    下到页底
    晶体管查询