1、继电器输出接线:
如果是继电器输出的PLC在接线的时候应该注意电压的范围,对于直流应使用DC30V以下,对于交流应使用AC240V以下的电源。接线图如图所示:
因其为继电器输出型,所以对于电压的接法来说,在接线的时候可以不考虑正负的问题。
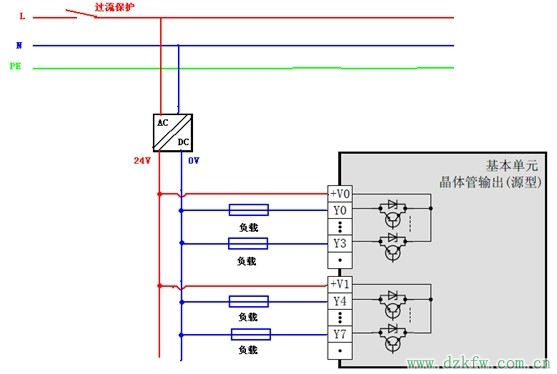
2、晶体管输出:
晶体管输出的PLC其输出所接电源为DC5V~Dc30V。如何来判断其是源型输出还是漏型输出呢?主要有两个方面如图所示:
1、对照上图型号说明,根据型号判断:T/ES:表示漏型输出,T/ESS:表现源型输出。
2、根据公共端来判断:对于漏型输出,公共端为负,用的是Com表示。而对于源型输出,公共端为正,用+V表示。
漏型接线:
晶闸管输出:
使用电源为AC100V或是AC200V,因使用的是交流电源,所以在接线的时候可以不考虑正负方向。
晶闸管PLC的型号为S/ES


返回顶部
刷新页面
下到页底