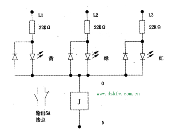
电路如下图所示,当三相电路中任何一相断相时,平衡的星点被打破,小继电器J得电吸合,外接的控制触头动作,立即切断主电路交流接触器的线圈电源,对电机进行断相保护。
巧用LED灯做电机断相保护器
元件采用φ5mm高亮白色发光二极管(或者黄绿红三色,正好对应ABC三相),1N4001硅二极管,2W22kΩ电阻,小继电器选HH52P-L插拔式带动作指示灯5A AC220V或者正泰的JZX-22F。调节电阻阻值,使发光二极管正向工作电流≥15mA左右,正向电压降 约为3.5V左右,才能正常发光。更主要的是满足小继电器吸合电流,一般在10~20mA间。当三相电路中任何一相断相时,平衡的星点被打破,0点处的零 点位升到190V的电压。这个0点是悬空的,不能与任何零线相接。这个190V的电压加到小继电器J两端,大于最低吸合电压,而动作,自身顶部的红色发光 二极管亮。
这些小元件,价廉物美。在0点和N点间,即小继电器J两端,还可以加入小蜂鸣器,或者通过接点引出,外接大型报警器。声、光、动作、三样同时报警。


返回顶部
刷新页面
下到页底