电子开发网

电子开发网电子设计 | 电子开发网Rss 2.0 会员中心 会员注册
搜索: 您现在的位置: 电子开发网 >> 基础入门 >> 机电原理 >> 正文

电力频率计电路图

作者:佚名    文章来源:本站原创    点击数:    更新时间:2013-3-13

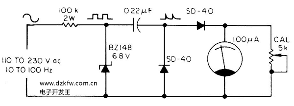
该频率计使用一个齐纳二极管来形成一个来自输入方波。通过和5K欧姆的电位计一起校准后,这个100μA的频率计直接以赫兹的形式读出。

电力频率计电路图,频率计电路原理 

Tags:电力频率计,电路,电路图,频率计  
责任编辑:admin
  • 上一个文章:
  • 下一个文章:
  • 请文明参与讨论,禁止漫骂攻击,不要恶意评论、违禁词语。 昵称:
    1分 2分 3分 4分 5分

    还可以输入 200 个字
    [ 查看全部 ] 网友评论
    关于我们 - 联系我们 - 广告服务 - 友情链接 - 网站地图 - 版权声明 - 在线帮助 - 文章列表
    返回顶部
    刷新页面
    下到页底
    晶体管查询