电子开发网

电子开发网电子设计 | 电子开发网Rss 2.0 会员中心 会员注册
搜索: 您现在的位置: 电子开发网 >> 基础入门 >> 家电维修 >> 正文

滚筒式洗衣机电控器电路图

作者:佚名    文章来源:本站原创    点击数:    更新时间:2013-2-7
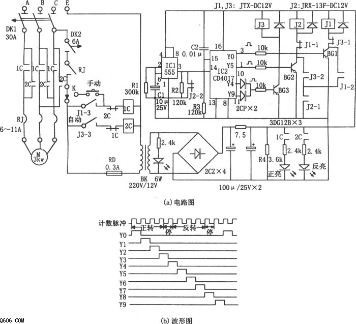
如图所示为大型滚筒式洗衣机电控器电路。该控制器由脉冲发生器、计数器、继电器控制电路、降压整流电路等组成。其中降压整流电路为整个控制器提供直流电压。

脉冲发生器是由IC1(555)和R2、R1、C1等组成的多谐振荡器,其振荡周期为T≈0.693(R1 R2)C1。计数器IC2采用十进制计数/脉冲分配器CD4017,其以IC1的输出脉冲作为时钟信号,在Y0~Y9端分别连续循环输出周期与计数脉冲周期相同的高电平,输出的Y0、Y4、Y5、Y9依次对BG1、BG2、BG3进行开关控制,启动继电器J1、J2、J3,从而控制接触器1C,2C接通三相交流电机电源,按洗衣机时序完成洗涤功能。

本控制器可实现机械触点式控制器相同的正转→停→反转→停的功能。
Tags:滚筒式洗衣机,电控器,电路图,维修  
责任编辑:admin
请文明参与讨论,禁止漫骂攻击,不要恶意评论、违禁词语。 昵称:
1分 2分 3分 4分 5分

还可以输入 200 个字
[ 查看全部 ] 网友评论
关于我们 - 联系我们 - 广告服务 - 友情链接 - 网站地图 - 版权声明 - 在线帮助 - 文章列表
返回顶部
刷新页面
下到页底
晶体管查询