电子开发网

电子开发网电子设计 | 电子开发网Rss 2.0 会员中心 会员注册
搜索: 您现在的位置: 电子开发网 >> 电子开发 >> 元器件知识 >> 正文

电子元件的极性问题——学习电路必须掌握的原则

作者:佚名    文章来源:网络整理    点击数:    更新时间:2024/10/1
  •  我们知道电源有

    正极、负极,电流从正极出来经过负载又回到负极,而负载由于结构、性质的不同,其电极(引脚)有的有正、负极之分,有的没有,在使用时必须注意,否则电路不能正常工作,甚至烧毁电子元件,另外我们在分析电路的时候,也需要按照电流的途径分析其静态工作点,因此必须对有极性电子元件和无极性电子元件有全面的认识。

  • 有极性电子元件

    指对加在其电极上的电源有极性要求,要么为

    正极(高电位)

    ,要么为

    负极(低电位)

    ,不能接反;而无极性元件,指对加在其电极上的电源

    无极性要求

    ,正极、负极均可以,不影响其工作状态。
  • 一、有极性电子元件

  • 1.电解电容器

    :包含铝电解电容器和钽、鈮电解电容器,其容量较大。识别方法,第一种看上面的标注,-为负极;第二种如果没有使用的长引脚为正极;第三种通过万用表测量,电阻大的为黑正极,红负极。通常用来滤波、耦合、退藕以及其它需要利用其大容量充放电的电路中。图一为几种电容器符号。图二为常见的电解电容器及其极性辨别方法。

 电容器符号

图一 电容器符号

常见的电解电容器

图二 常见的电解电容器

  • 2.二极管

    :具有单向导电性,有两个电极(个别三个,共阳或共阴极)它分好多种,比如整流二极管、检波二极管、稳压二极管、开二极管关、变容二极管、肖特基二极管等。但它们共同的特点就是都具有单向导电性,差异在于工作频率、反向恢复时间以及工作区等,比如稳压二极管工作中反向击穿区,肖特基二极管反向恢复时间极小。利用二极管正向电阻小反向电阻大的特点,通过万用表即可判别正负极;样式有多种多样,常见的有整流用1N400系列二极管,外观上看也有特征,黑色端为正极,白色端为负极。再如下面的1N4148开关二极管,玻璃封装,黑色端为负极。

几种常见二极管符号 

图三 几种常见二极管符号

整流二极管 

图四 整流二极管

开关二极管 

图五、开关二极管

  • 3.整流桥

    :又叫桥堆,就是将两个或四个二极管组合在一起形成的整流电路,这样就简化了电路,使用很方便。整流桥上面有醒目的标志,也可以用万用表判别极性;

整流桥电路 

图六、整流桥电路

常见桥堆 

图七 常见桥堆

  • 3.三极管:

    三极管分NPN型、PNP型,有三个电极:基极b、发射极e、集电极c;对于NPN三极管工作中放大状态时,各极电位关系为Uc>Ub>Ue,对于PNP三极管工作中放大状态时,各极电位关系:Uc<Ub<Ue;三极管的性质、各极可以通过万用表测出来。对于一些固定封装的三极管三个极有规则可循。

三极管符号 

图八 三极管符号

常见三极管 

图九 常见三极管

常见三极管管脚 

图十 常见三极管管脚

  • 4.场效应管:

    根据结构、原理不同,分为结型场效应管、绝缘栅场效应管,每种根据导电沟道不同,分n沟道、P沟道。有三个极栅极G、源极S、漏极D;它们的接法不同。通过万用表可以判别各极。外观上和三极管差别不大。它属于电压控制型晶体管。

场效应管符号 

图十一 场效应管符号

常见的场效应管 

图十二 常见的场效应管

  • 5.IGBT:

    绝缘栅双极性晶体管,结构是由绝缘栅场效应管和pnp三极管组成,有三个电极:栅极G、发射极E、集电极C,可通过万用表检测各极。多用在电磁炉、电焊机当中。

IGBT符号 

图十三 IGBT符号

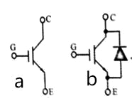
  • 5.可控硅:

    又叫晶闸管,有三个电极:阳极A、阴极K、控制极(门极)G,分单向可控硅、双向可控硅、门极可关断晶闸管、逆导晶闸管、光控晶闸管等。可用万用表判别各极。

常见可控硅及符号 

图十四 常见可控硅及符号

  • 6.驻极体话筒

    :这种话筒的特别之处是里面加了一个专门变换阻抗的场效应管,因此有了极性之别。有两个输出端,一个接地,一个接电源。接地的通过导线与外壳相连。

驻极体话筒 

图十五 驻极体话筒

驻极体话筒结构图 

图十六 驻极体话筒结构图

  • 7.光耦

    :是由发光二极管和光敏三极管组成的,因此具有极性。有四个极、六个极,分别接发光二极管和光敏三极管,通过万用表可以判别,也通过封装形式根据规则判别。

光耦结构 

图十七 光耦结构

常见光耦 

图十八 常见光耦

  • 8.光遮断器

    :原理上和光耦一样,也是由发光二极管和光敏三极管组成,不同的是前者是一个整体,后者将发光和接收分开。分对射型和反射型。

对射型光遮断器 

图十九 对射型光遮断器

各种光遮断器 

图二十 各种光遮断器

  • 9.集成电路:

    其内部集成了大量晶体管,各极功能不同,必备电源电极有正负之分,通过封装形式可以判别。

1017集成电路 

图二十一 1017集成电路

  • 10..接近开关:

    它对接近它的物件有感知能力,并进行开关控制。有两线、三线之分,三线有pnp、npn两种接法。接线可以根据线的颜色区别,棕色或红色接电源正极,蓝色接电源负极,黑色接信号。

接近开关电路图 

图二十二 接近开关电路图

接近开关 

图二十三 接近开关

  • 11.热释电红外传感器

    :是一种将人或动物发出的红外线转换成电信号的装置。广泛应用于保险装置、防盗报警器、感应门等当中。有三个引脚;漏极D、源极S、接地极G,引脚固定。

热释电红外传感器内部结构 

图二十四 热释电红外传感器内部结构

热释电红外传感器 

图二十五 热释电红外传感器

  • 12.霍尔传感器

    :是一种检测磁场的传感器,可以检测磁场的存在和变化,广泛应用于测量、交通运输、生活当中。分线性霍尔传感器和开关型霍尔传感器。有三个引脚、四个引脚的。三个引脚分别为电源端、接地端、信号输出端;四个引脚的:电源端、接地端、两个信号输出端。

霍尔传感器 

图二十六 霍尔传感器

  • 12.电子管

    :最初应用在检波、放大电路中的就是电子管,其利用了真空中电子单向导电的性质制成,分二极电子管、三极电子管、四极电子管.....。除过整流用电子管,其它阳极、阴极对应电源正极、负极。

三极电子管 

图二十七 三极电子管

电子管 

图二十八 电子管

  • 13.固态继电器

    :同一般的继电器比有一系列优点,有直流固态继电器、交流固态继电器。因为其内部含有光耦、三极管因此有了极性。直流固态继电器输入端接直流控制电压,输出端接直流负载。有四个引脚的,五个引脚的,分别是输入、输出正负极和接地极。交流固态继电器的输入端接直流控制电压,输出端接交流负载。有四个引脚,输入正负极,输出交流端。

固态继电器电路 

图二十九 固态继电器电路

固态继电器 

图三十 固态继电器

  • 14.光敏二极管(红外线接收二极管)

    :又叫光电二极管,它是能将光线转换为电信号的元件,属于二极管类型,具有单向导电性,不过工作在反向状态。红外线接收二极管是对红外线敏感的光敏二极管。26.

光敏二极管 

图三十一 光敏二极管

  • 15.红外线接收组件

    :又称红外线接收头,广泛应用在各种具有红外线遥控功能的接收电路中。由红外线接收二极管、集成电路组成。有三个电极:电源正极,输出极、接地极。通过万用表可以判断极性,如果是在电路中,可以通过并接的电解电容器判别。

红外线接收组件 

图三十二 红外线接收组件

  • 16.光敏三极管

    :是一种对光线敏感且具有放大能力的三极管,大多只有两个个引脚(c、e),少数有三个引脚。和光敏二极管不同之处在于其具有放大能力,因此灵敏度更高。

光敏三极管 

图三十三 光敏三极管

  • 17.发光二极管

    :又叫led灯,有红色、黄色、绿色等多种颜色,触发电压高,长脚正极,断脚负极,具有二极管的性质,可以用万用表判别。

发光二极管 

图三十四 发光二极管

发光二极管 

图三十五 发光二极管

  • 18.三端稳压器

    :能够输出稳定电压的电子元件,有三个电极,输入、输出、接地端;有输出固定的和可变的,正输出、负输出。1

三端稳压器 

图三十六 三端稳压器

  • 19.有源蜂鸣器

    :这种蜂鸣器内部含有振荡电路,接通正负极电源后可以直接发声。

有源蜂鸣器 

图三十七 有源蜂鸣器

  • 20.led数码管

    :是用多个led组成的八段显示装置,具有极性,可以接成共阳或共阴形式。

led数码管 

图三十八 led数码管

数码管 

图三十九 数码管

  • 21.真空荧光显示器

    :原理上和电子管相似,利用了真空中电子单向运动的性质。

真空荧光显示器 

图四十 真空荧光显示器

  • 22.单结晶体管

    :又叫双基极二极管,具有负阻特性,当电压达到一定值时(峰值电压)突然导通,电流很大,当电压降低到一定值(谷点电压)时,截止,有三个电极:第一基极b1,第二基极b2、发射极e。

单结晶体管 

图四十一 单结晶体管

BT33单结晶体管 

图四十二BT33单结晶体管

  • 二、无极性元件

  • 1.电阻

    :包含敏感电阻,都没有极性。

电阻器 

图四十三 电阻器

  • 2.无极性电容器:

    除过有极性电容器就是,如纸质电容器、云母电容器、瓷片电容器、薄膜电容器等。

无极性电容器 

图四十四 无极性电容器

  • 3.电感

电感器 

图四十五 电感器

  • 4.干簧管

干簧管 

图四十六 干簧管

  • 5.继电器

普通继电器 

图四十七 普通继电器

  • 6.双向触发二极管

    :同普通二极管不同,它两个方向均能导通,但需要达到一定电压才行。

双向触发二极管 

图四十八 双向触发二极管

DB3双向触发二极管 

图四十九 DB3双向触发二极管

  • 7.熔断器

    ,包含其它形式的保险丝等,在电路中起短路保护作用。

熔断器 

图五十 熔断器

  • 三、特殊电子元件

  • 1.扬声器

    :对于单个的扬声器没有极性要求,但对于不同的扬声器,就必须弄清其极性。这是因为扬声器内部线圈绕向不同,通入相同的电流时,纸盆运动方向不同,如果接错的话,两个扬声器发出的声音会抵消。在接线端上标有+-极性,并联时++相接,串联时+-相接。

扬声器图 

图五十一 扬声器图

  • 2.变压器

    ,对于单个的绕组来说没有极性的说话,但如果两个绕组需要并联或串联时,必须考虑其极性(同名端),否则可能输出电压达不到要求,或烧毁变压器。

变压器 

图五十二 变压器

  • 通过以上分析我们可知含有pn结的电子元件(二极管、三极管)必定具有极性。
Tags:电子元件,极性  
责任编辑:admin
请文明参与讨论,禁止漫骂攻击,不要恶意评论、违禁词语。 昵称:
1分 2分 3分 4分 5分

还可以输入 200 个字
[ 查看全部 ] 网友评论
最新推荐
关于我们 - 联系我们 - 广告服务 - 友情链接 - 网站地图 - 版权声明 - 在线帮助 - 文章列表
返回顶部
刷新页面
下到页底
晶体管查询