夏天快来了,马上就到了修空调的季节了,今天给大家上传一些常见的、通用的遥控接收头的图片和引脚定义,大家保存好,收好了,不一定什么时候就用到了!这个接收头也属于常见易损元器件,空调有时候遥控不起作用,好多都是这个小配件不良引起的。
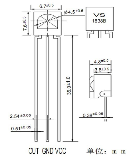
最常见的图片1838b一体化红外接收头
注意下:(下面图片表示方法都一样)
OUT:代表信号输出端
GND:代表是接地端,有的电路中用“-”表示
VCC:代表是接电源端,有的电路中用“+”表示
比较常见的图片(优质空调电视遥控器一体化红外塑封大接收头)
比较常见的图片红外一体化接收头LF0038H 0038A-TC VS838
比较常见的图片一体化接收头IRM-3638T
我们看接收头的引脚定义的时候要注意板子上的标识。
还有要注意,上面这些只是常见的通用型号,有的机器用的就不是这样的通用型号,看下面的图片。
这种接收头用到板子上就是这样的,板子上的标识就是这样的。
如果用通用接收头更换这些接收头的时候,注意通用接收头的VCC接线路板子上VCC,地对地,信号对信号,一般情况下,通用头也是可以代用这些品牌机的接收头的。
判别红外接收头引脚方法
(带屏蔽外壳型)红外接收头一般有三只引线脚,分别为接地、电源和信号输出。不同型号的红外接收头,其引脚排列也不相同。笔者用电阻法判别红外接收头的引脚简单、快速。
用指针式万用表(数字表不适用)电阻挡R*100),先测量确定接地脚,一般接地脚与屏蔽外壳是相通的,余下的两只脚假设为a和b,然后用黑表笔搭接地脚,用红表笔去测a或b脚的阻值,读数分别约为6kΩ和8kΩ(有的接收头相差在1kΩ左右);调换表笔,红表笔接地,黑表笔测a和b脚,读数分别约为20kΩ和40kΩ。
两次测量阻值相对应都小的a脚即为电源脚,阻值大的b脚即为信号输出脚。不过用不同的万用表和测不同型号的接收头,所测得的电阻都各不相同。
但总的结论是:电源脚对地的电阻值不管正反向都要比信号脚对地的电阻值小。
用万用表×1K挡,设某引脚为接地脚[地]与黑笔相接,用红笔去测另外两脚,一般阻值在4---7
K范围内,红笔所接阻值小的的为电源脚,阻值大的为信号脚,黑笔所接的脚是接地脚。
再用红笔接[地]脚,黑笔去测另外两脚,一般在15K以上,同样是阻值小的为电源脚,阻值大的为信号脚。
红外遥控接收头的代换
带遥控功能的家用电器中所采用的红外接收头型号繁多,维修中常遇到无法购得原型号接收头的情况,只能寻找代换品。实际上无论何种型号的接收头均可采用常见型号代换。代换时主要应注意如下几点:
1.安装寸。
如原接收头尺寸较大,则可方便地选用尺寸与之相当的任一型号代换,亦可用体积更小的型号代换。目前有一种外观像塑封三极管的微型接收头,用于维修代换十分方便。
2.引脚序。
遥控接收头引脚顺序有如下几种:(接收面左侧起)
①地、信号输出、电源;
②信号输出、地、电源;
③地、电源、信号输出等几种形式,代换时应仔细区分。
对于引脚顺序相同的可直接按顺序接入,如引脚顺序不对,则可用细导线引接。注意地线与电源线切不可接反,否则通电后接收头立即损坏。
3.接收头中心频率应与遥控发射器频率同。
大多数红外接收头解调中心频率为38kHz,但也有一些接收头中心频率为36kHz、37kHz、39kHz、40kHz,如果发射频率与接收频率相差1kHz,大多可以正常遥控,相差2kHz以上则会出现遥控不灵现象,此时可通过更换遥控发射器的晶体振荡器来解决。常见为455kHz晶振(对应发射频率38kHz),其他有429kHz、432kHz、445kHz、465kHz、480kHz等型号的晶振,相对应的发射频率分别为36kHz、36kHz、37kHz、39kHz、40kHz。
4.信号极性。
大多数遥控接收头输出信号极性为负极性,即输出端在无信号时为高电位(一般为4.8~5.0V),接收到信号后信号输出端电压下降。但也有少数接收头输出信号为正极性,如松下TC-2180、M25等彩电的红外接收头,若用常见型号接收头直接代换,则无法遥控,对于此种情况可在信号输出端加接反相器解决。
电源脚对地的电阻值不管正反向都要比信号脚对地的电阻值小


返回顶部
刷新页面
下到页底