|
[2] 集成稳压器的文字符号采用集成电路的通用符号“IC”,图形符号如图2所示,左图为三端式稳压器,右图为多端式稳压器。在电子制作中应用较多的是三端固定输出稳压器。
|
[3] 集成稳压器可分为串联调整式、并联调整式和开关式稳压器三大类。图3所示为应用最广泛的串联式集成稳压器内部电路方框图,其工作原理是:取样电路将输出电压Uo按比例取出,送入比较放大器与基准电压进行比较,差值被放大后去控制调整管,以使输出电压UO保持稳定。
|
[4] 7800系列集成稳压器是常用的固定正输出电压的集成稳压器,输出电压有5V、6V、9V、12V、15V、18V、24V等规格,最大输出电流为1.5A。内部含有限流保护、过热保护和过压保护电路,采用了噪声低、温度漂移小的基准电压源,工作稳定可靠。7800系列集成稳压器为三端器件,①脚为输入端,②脚为接地端,③脚为输出端,如图4所示,使用十分方便。
|
[5] 7800系列集成稳压器的典型应用电路如图5所示,这是一个输出正9V直流电压的稳压电源电路。IC采用集成稳压器7809,C1、C2分别为输入端和输出端滤波电容,RL为负载电阻。当输出电流较大时,7809应配上散热板。
|
[6] 图6为提高输出电压的应用电路。稳压二极管VD1串接在7800稳压器②脚与地之间,可使输出电压Uo得到一定的提高,输出电压Uo为7800稳压器输出电压与稳压二极管VD1稳压值之和。VD2是输出保护二极管,一旦输出电压低于VD1稳压值时,VD2导通,将输出电流旁路,保护7800稳压器输出级不被损坏。
|
[7] 图7为输出电压可在一定范围内调节的应用电路。由于R1、RP电阻网络的作用,使得输出电压被提高,提高的幅度取决于RP与R1的比值。调节电位器RP,即可在一定范围内调节输出电压。当RP=0时,输出电压Uo等于7800稳压器输出电压;当RP逐步增大时,Uo也随之逐步提高。
|
[8] 图8为扩大输出电流的应用电路。VT2为外接扩流功率管,VT1为推动管,二者为达林顿连接。R1为偏置电阻。该电路最大输出电流取决于VT2的参数。
|
[9] 图9为提高输入电压的应用电路。7800稳压器的最大输入电压为35V(7824为40V),当输入电压高于此值时,可采用图9的电路。VT、R1和VD组成一个预稳压电路,使得加在7800稳压器输入端的电压恒定在VD的稳压值上(忽略VT的b-e结压降)。Ui端的最大输入电压仅取决于VT的耐压。
|
[10] 集成稳压器还可以用作恒流源。图10为7800稳压器构成的恒流源电路,基恒定电流Io等于7800稳压器输出电压与R1的比值。
|
[11] 7900系列集成稳压器是常用的固定负输出电压的三端集成稳压器,除输入电压和输出电压均为负值外,其他参数和特点与7800系列集成稳压器相同。7900系列集成稳压器的三个引脚为:①脚为接地端,②脚为输入端,③脚为输出端,如图11所示。

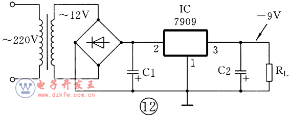
[12] 7900系列集成稳压器的应用电路也很简单。图12所示为输出-9V直流电压的稳压电源电路,IC采用集成稳压器7909,输出电流较大时应配上散热板。
[13] 同时运用7800和7900稳压器,可以组成正、负对称输出的稳压电路。图13所示为±15V稳压电源电路,IC1采用固定正输出集成稳压器7815,IC2采用固定负输出集成稳压器7915。VD1、VD2为保护二极管,用以防止正或负输入电压有一路未接入时损坏集成稳压器。
[14] CW117为三端可调正输出集成稳压器,输出电压可调范围为1.2~37V,输出电流可达1.5A。图14所示为CW117外形及电路符号,其①脚为调整端,②脚为输出端,③脚为输入端。
[15] 图15所示为CW117典型应用电路,R1与RP组成调压电阻网络,调节电位器RP即可改变输出电压。RP动臂向上移动时输出电压增大,向下移动时输出电压减小。
[16] 当将CW117的调整端直接接地时,即可获得1.2V的固定低压稳压输出。图16所示为固定低压应用电路。
|
[17] CW117还可以用于软启动电源电路,如图17所示。刚接通输入电源时,C2上无电压,VT导通将RP短路,稳压电源输出电压Uo=1.2V。随着C2的充电,VT逐步退出导通状态,Uo逐步上升,直至C2充电结束,VT截止,Uo达最大值。启动时间的长短由R1、R2和C2决定。VD为C2提供放电通路。
|
[18] CW137为三端可调负输出集成稳压器,输出电压可调范围为-(1.2~37)V,输出电流可达1.5A。其①脚为调整端,②脚为输入端,③脚为输出端,如图18所示。
|
[19] 图19所示为CW137典型应用电路。调节电位器RP可改变输出电压的大小,RP动臂向上移动时输出负电压的绝对值增大,向下移动时输出负电压的绝对值减小。
|
[20] 图20为采用CW117和CW137组成的正、负对称输出可调的稳压电源电路,输出电压±(1.2~37)V,最大输出电流1.5A。调节双连同轴电位器RP1,即可使正、负输出电压的绝对值同步变化。



返回顶部
刷新页面
下到页底