电子开发网

电子开发网电子设计 | 电子开发网Rss 2.0 会员中心 会员注册
搜索: 您现在的位置: 电子开发网 >> 电子开发 >> 电源专栏 >> 正文

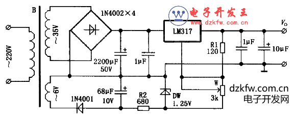
LM317制作的从0V起调的电源,LM317 POWER SUPPLY

作者:佚名    文章来源:本站原创    点击数:    更新时间:2016-11-5

关键字:LM317,稳压电源电路图,LM317可调电压电源

    稳压管Dw正极对地电压为-1.25V,调压电位器w的下端没有接在地端,而是接在稳压管正极,稳压电源的输出电压仍然从三端稳压器的输出端与地之间获得。这样当w的阻值调到零时,R1上的1.25V电压刚好和Dw上的-1.25V相抵消,从而使输出电压为0V。该电路可以从0V起调,输出电压可达30V以上。
Tags:LM317,可调电源,0V起调的电源  
责任编辑:admin
请文明参与讨论,禁止漫骂攻击,不要恶意评论、违禁词语。 昵称:
1分 2分 3分 4分 5分

还可以输入 200 个字
[ 查看全部 ] 网友评论
关于我们 - 联系我们 - 广告服务 - 友情链接 - 网站地图 - 版权声明 - 在线帮助 - 文章列表
返回顶部
刷新页面
下到页底
晶体管查询