关键字:12V稳压电源电路图
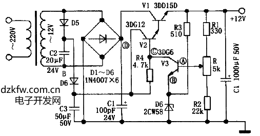
我们知道,常规串联型稳压电源的不足之处在于调整管的驱动工作电压必须高于输出电压,这就导致调整管c、e极压差较大,因此损耗相当一部分的电源功率,降低了效率。例如某黑白电视机的12V稳压电源输出电流为1A左右,调整管压降为7.5v,则调整管上功率损耗达7.5w。不但效率较低,而且成为一个热源,要用大面积散热器进行散热。下图介绍的高效串联型稳压电源,弥补了以上的不足。
变压器副边和D5、C2、D6、C3构成了倍压整流电路,在交流电源的正半周,电源对C2充电,在交流电源的负半周,电源电压和C2电压相加后通过D6向C3充电,这样C3可获得两倍电源电压。这两倍电源电压提供给V2,进而通向调整管V1的b极,这样,V1的b、e极间电压差就可以很小,其c、e极间电压差也就可以降低到接近饱和压降,从而使调整管功耗降低,大大提高了稳压器的效率。
上图电路中有一个标准的串联型稳压电路部分:V1为调整管,V3为比较放大器,稳压管D6提供基准电压,R1、R、R2组成取样网络。
R3与D6组成电路为V3提供基准电压,由于D6的存在,所以B点的电位是恒定的。R1、R、R2组成输出电压取样网络,取样得的A点电位与B点电位进行比较,比较的结果由V3的集电极输出使C点电位产生变化,从而控制V1的导通程度(V1在这里起着一个可变电阻的作用),达到自动稳定输出电压的目的。当空载或负载阻值较大时,输出电压将趋于上升,此时由取样网络获得的V3基极电平升高→V3集电极电流加大,V2基极电流减小,V2导通减小→流向V1基极的电流减小,V1导通减小→电路的输出电流减小,电压回落,从而实现稳压。
R是一个可变电阻器,调整它就可改变A点电位(即改变取样值),由于A点的变化,C点电位也将变化,从而输出电压也变化,这样就可以使输出电压在一定的范围内连续可调。
变压器副边和D5、C2、D6、C3构成了倍压整流电路,在交流电源的正半周,电源对C2充电,在交流电源的负半周,电源电压和C2电压相加后通过D6向C3充电,这样C3可获得两倍电源电压。这两倍电源电压提供给V2,进而通向调整管V1的b极,这样,V1的b、e极间电压差就可以很小,其c、e极间电压差也就可以降低到接近饱和压降,从而使调整管功耗降低,大大提高了稳压器的效率。
上图电路中有一个标准的串联型稳压电路部分:V1为调整管,V3为比较放大器,稳压管D6提供基准电压,R1、R、R2组成取样网络。
R3与D6组成电路为V3提供基准电压,由于D6的存在,所以B点的电位是恒定的。R1、R、R2组成输出电压取样网络,取样得的A点电位与B点电位进行比较,比较的结果由V3的集电极输出使C点电位产生变化,从而控制V1的导通程度(V1在这里起着一个可变电阻的作用),达到自动稳定输出电压的目的。当空载或负载阻值较大时,输出电压将趋于上升,此时由取样网络获得的V3基极电平升高→V3集电极电流加大,V2基极电流减小,V2导通减小→流向V1基极的电流减小,V1导通减小→电路的输出电流减小,电压回落,从而实现稳压。
R是一个可变电阻器,调整它就可改变A点电位(即改变取样值),由于A点的变化,C点电位也将变化,从而输出电压也变化,这样就可以使输出电压在一定的范围内连续可调。
稳压管可选择稳压值在9.1~11.4V间的型号,如2Cw58,其稳压范围为9.2~10.5V(工作电流5mA时),最大工作电流23mA。稳压管的稳压值有一个范围是因为同型号不同个体间存在差异,但同一个管子在工作时稳压值浮动较小,如2cw58在工作电流1mA时动态电阻为400Ω,5mA时动态电阻为25Ω。
通过调整R可获得较理想的12V电压输出。
为了提高电路效率,D点电压取得较低,一般比输出电压V。高出1V即可,但是必须保证交流电源电压最低时也有VE>(Vo+1V),否则不能获得额定输出电压。
通过调整R可获得较理想的12V电压输出。
为了提高电路效率,D点电压取得较低,一般比输出电压V。高出1V即可,但是必须保证交流电源电压最低时也有VE>(Vo+1V),否则不能获得额定输出电压。


返回顶部
刷新页面
下到页底