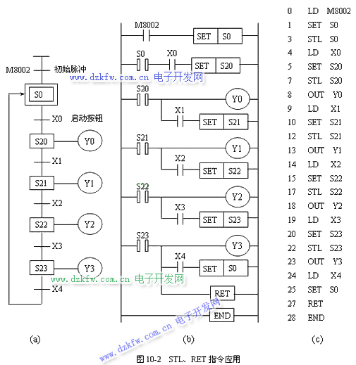
三菱PLC运用步进指令编写顺序控制程序时,首先应确定整个控制系统的流程,然后将复杂的任务或过程分解成若干个工序(状态),最后弄清各工序成立的条件、工序转移的条件和转移的方向,这样就可画出顺序功能图。根据控制要求,采用STL、RET指令的步进顺序控制可以有多种方式。如图10-2所示是单流程顺序功能图。图中M8002是特殊辅助继电器,仅在运行开始时瞬间接通,产生初始脉冲。如图10-3所示是选择性分支与汇合状态转移方式。如下图所示是并行分支与汇合状态转移方式。
流程图和梯形图比对画法如上
状态继电器(S)是构成状态转移图的基本要素,是对步进顺序控制进行简易编程的重要软元件,与步进指令STL组合使用,如图10-4所示。状态继电器的常开和常闭触点在PLC梯形图内可以自由使用,使用次数不限。不用步进顺序控制指令时,状态继电器可以作为辅助继电器在程序中使用。停电保持用状态继电器能记忆电源停电前一刻的开/关状态,因此能从中途工序开始工作。与辅助继电器M一样,利用来自外围设备的参数设定,可改变普通型与断电保持型状态的地址分配。


返回顶部
刷新页面
下到页底