我们学习PLC课程上机实验的时候,往往是用一个发光二极管代替步进电机,通过发光二极管的亮灭代表步进电机正转和反转,实际接线中往往出错,今天就简单介绍一下;
1 1.1 PLC型号的选择我选择的是三菱FX2N系列PLC,型号需要注意的是必须是MT型号,MR型号的PLC无法驱动电机;
1.2 I/O口分配这个控制相对简单,直接见图;
程序中可以通过修改D2数值,实现不同的转速,需要注意数据范围就好;
我们拿到步进电机,会看到有四根不同颜色的线,但是往往不清楚具体那两根是同一相,这里说一个简单的方法;拿起任意两根线短接后,拧动步进电机轴,若是有一定阻力,表明短接的两根线是同一相,若是和没短接阻力一致,就表明短接的两根不是同一相;
2.2 驱动器接线说明1、驱动器接线中使能端可以不接线,电源线接好后,其他的保证接成闭合回路就好;(往往电机不转的原因,就是没有将线接成闭合回路)
2、驱动器可以根据实际要求进行细分和电流控制,具体参考驱动器说明书;
PLSY是三菱PLC中的脉冲输出指令;
其中:S1.表示输出脉冲频率或者其存储地址
S2.表示输出脉冲个数或者其存储地址
D.指定脉冲输出口,仅限Y0或者Y1(FX2N系列中)
解读:当驱动成立时,从输出口D中输出脉冲,脉冲频率是S1,脉冲个数是S2,占空比是二分之一的脉冲串,其中当S2的数值是0时,表示输出无数个脉冲。
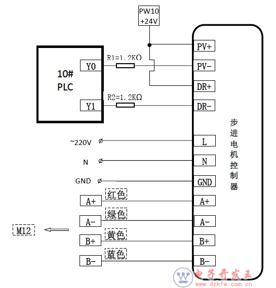
三菱PLC控制步进电机外部接线示意图
上面说了一个三菱PLC控制步进电机,其中对PLC选型、I/O口分配、程序等进行了简单的说明,现在补充一下外部接线,下面提供外部接线的示意图。
需要准备的元器件1.适配的电源;
2.选型正确的PLC;
3.步进电机;
4.配套的步进电机驱动器。
布局没整好,接线有点乱,特意用不同颜色进行连接,方便接线和检查。
几点说明1.针对上一个博客提到的电源类型和输入端信号信号大小,这个要根据选择的步进电机和步进电机驱动器适用的电源类型和范围选定,不是限定的就是5V或者24V等,这里做统一解释;
2.个人认为步进电机更适合做低速运行和定位控制,高速在使用过程中需要注意启动转矩、控制信号等问题,更需要考虑丢步的问题;
3.外部接线图不局限于FX2NPLC,单需要注意PLC的输出类型;
注意:有些步进电机驱动器的电源电压为12v,这时就需要增加电阻进行限流,比如串联1.2kΩ。如下图:


返回顶部
刷新页面
下到页底