电子开发网

电子开发网电子设计 | 电子开发网Rss 2.0 会员中心 会员注册
搜索: 您现在的位置: 电子开发网 >> 电子开发 >> 常用电子制作 >> 正文

红外光控自动水龙头LM358 ,Automatic Sensor Faucet

作者:佚名    文章来源:本站原创    点击数:    更新时间:2016-11-18

这款红外光控自动水龙头,抗干扰能力强,器件少,电路简单,成本低,有兴趣的不妨动手一试。
  红外光控自动水龙头的控制过程:当人手或物体接近自动水龙头时,红外发射光电管发出的红外线经人手或物体反射到红外接收光电管,接收光电管接收到反射的光信号后自动转换为电信号,经后续电路进一步放大、整形,最后经驱动电路控制电磁阀动作打开水源,当人手或物体离开自动水龙头时,接收光电管接收不到反射的光信号,驱动电路断开电磁阀电源,关闭水源。
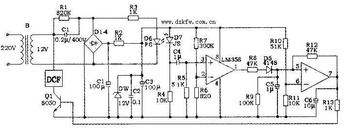
  一、电路工作原理
  提供给光电发射管的工作电源常用的有两种方式:一是采用直流电源供电方式,这种供电方式的优点是电路简单,成本低,但对干扰光源会产生误动作,在强光下可能会完全失控,工作可靠性差。另一种是用38KHz的脉冲电源供电方式,光电接收管接收到38KHz信号,通过后续电路进行放大,整形,提取出正确的接近信号,可以有效地排除光源干扰带来的问题,但电路复杂、成本高、体积大,安装位置受限制等。
  电路如下图所示,本电路提供给光电发射管的工作电源采用工频50Hz交流电替代38KHz脉冲电源,接收光电管输出的50Hz半波脉冲是准交流信号,对变化缓慢的光源干扰能有效滤除,提高了抗干扰性能,简化了电路。

红外光控电路图,红外光控水龙头 
红外光控自动水龙头Automatic Sensor Faucet
  电路中,供电电源采用变压器降压方式,加到水龙头的电压仅为l2V,对使用者不存在安全隐患。l2V交流电压一路经R3限流,将50Hz的交流电提供给发射光电管D6工作;另一路经全波整流稳压电路,将电压稳压到12V,供后续电路工作用。当接收光电管D7接收到微弱的人体反射光信号后,将其转换成半波脉动直流电信号,该信号经C4耦合到第一级运放的正输入端(3脚)进行放大,2脚负输入端加入一个小的偏置电压,防止小信号干扰。从3脚输出放大后的信号经过R8、D5、C5整形和平滑处理成为直流信号,送到第二级运放的5脚正输入端作为电压比较器,比较器的翻转电压由第二级运放6脚负输入端外接的R1O、R11分压值决定oRl2是运放的正反馈电阻,与C5、C6共同构成延时电路,防止人体活动时信号中断产生断续供水现象。当第二级运放级7脚输出高电平时三极管Q1导通,控制电磁阀DCF打开水源。
  右图是供参考的结构示意图。电磁阀、电路板等部件体积较小,简单制作时,可以用一截长70mm、50的PVC管材制作外壳。

红外光控自动水龙头Automatic Sensor Faucet 
红外光控自动水龙头Automatic Sensor Faucet
  二、制作注意事项
  1、红外发射管和接收管安装不能太靠近,两者之间要做光隔离,防止互相产生干扰误动作;
  2、在红外发射管和接收管前端的感光透光窗可以用黑色环氧树脂材料,能较好防止可见光的干扰,也可以采用深红色有机玻璃制作;3、DCF选用交流电压为l2V,功率约5瓦的电磁阀,可采用洗衣机上水电磁阀代替;变压器选8瓦以上功率,也可直接选用市售的成品小型稳压电源,去掉整流稳压部分即可。

Tags:自动水龙头,LM358,红外光控  
责任编辑:admin
请文明参与讨论,禁止漫骂攻击,不要恶意评论、违禁词语。 昵称:
1分 2分 3分 4分 5分

还可以输入 200 个字
[ 查看全部 ] 网友评论
关于我们 - 联系我们 - 广告服务 - 友情链接 - 网站地图 - 版权声明 - 在线帮助 - 文章列表
返回顶部
刷新页面
下到页底
晶体管查询