三极管开关电路在平时的电路设计应用中出镜率很高,而对于工程师们来说,如果能够合理的利用三极管构成放大电路,不仅可以节省研发成本,也有利于简化电路设计。在今天的文章中,我们将会为各位刚开始接触电路设计的新人工程师们,简要分析一下三极管开关电路中的放电电路运行原理知识,下面就让我们一起来看看吧。
在三极管开关电路的设计过程中,由三极管所构成的放大电路,其功能是利用三极管的电流控制作用,或场效应管电压控制作用,把微弱的电信号不失真地放大到所需的数值,实现将直流电源的能量部分地转化为按输入信号规律变化且有较大能量的输出信号。而这种三级管放大电路的实质,是一种用较小的能量去控制较大能量转换的能量转换装置。
在实际的设计和应用过程中,三极管放大电路的设计原则主要有三点,需要工程师在设计之前多加注意。第一必须有直流电源,而且电源的设置应保证三极管或场效应管工作在线性放大状态。第二,元件的安排要保证信号的传输,即保证信号能够从放大电路的输入端输入,经过放大电路放大后从输出端输。第三,元件参数的选择要保证信号能不失真地放大,并满足放大电路的性能指标要求。要使三极管能够正常放大信号,发射结应加正向电压,集电结应加反向电压。
为了更进一步的说明这种三极管开关电路的设计原理,在这里我们以NPN三极管的共发射极放大电路为例,来具体的说明一下。下图中所提供的三种连接方式是三极管放大电路最常见的,除了共发射极联接方式外,还有共集电极和共基极联接方式。

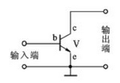
三极管共发射极接法

三极管共基极接法

三极管共集电极接法
在三极管其射极放大电路中,三极管V的作用是实现电流的放大。集电极直流电源UCC则能够确保三极管工作在放大状态。在该电路系统中,集电极负载电阻RC负责将三极管集电极电流变化转变为电压变化,以实现电压放大。基极偏置电阻RB为放大电路提供静态工作点。耦合电容C1和C2的作用则是隔直流通交流。当这一电路接通后,ui直接加在三极管V的基极和发射极之间,引起基极电流iB作相应的变化,通过V的电流放大作用,V的集电极电流iC也将变化。而iC的变化引起V的集电极和发射极之间的电压uCE变化。此时,uCE中的交流分量uce经过C2畅通地传送给负载RL,成为输出交流电压uo,由此实现了电压放大作用。
以上就是本文结合实际案例,所分析的三极管开关电路设计过程中常用到的放大电路的工作原理,希望能够为各位新人工程师的工作和研发设计带来一定的帮助。


返回顶部
刷新页面
下到页底