晶体三极管放大电路有三种基本组态:共射电路、共集电路、共基电路。不管设计应用哪种组态的放大电路,必须首先保证其具有交流信号的放大能力。从以下三要素出发,可以定性判别一个晶体管电路是否有交流信号放大能力。
1.三极管具有合适的工作点
工作点合适与否需要定量计算。只定性判别其有无交流放大能力,关键是看三极管是否满足发射结正偏,集电结反偏。即:要具有放大交流信号的可能,对NPN的管子UBe>0,UBc<0;对PNP的管子UBe<0,UBc>0。
2.输入信号Ui不能被短接
Ui被短接的话,电流走捷径。就不可能加到三极管上进行放大。Ui为交流信号。观察其是否被短接是相对于交流信号而言的。共射与共集电路的输入信号从B极加入,故这两种组态电路B极不能交流接地;共基电路输入信号从E极加入,故这种组态电路E极不能交流接地。Ui被交流短接主要是由三种情况造成的。一是直接被导线短接;二是被容值较大的电容短接:三是被直流电源短接。
3.输出信号Uo不能被短接
同样,输出信号Uo短接也是指交流短接。即使输入信号加到了三极管上。其所产生的交流电流被三极管放大了,但输出信号被短接的话。负载上也取不到交流信号。共射与共基电路输出信号取自C极,故这两种组态电路C极不能交流地:共集电路输出信号取自E极,故这种组态电路的E极不能交流接地。
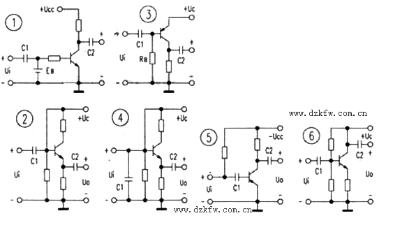
根据上述三要素。我们来分析下列各电路能否放大交流信号。
由要素之一(三极管具有合适的工作点):图5为PNP型三极管,应在C极加负电源,但电容C1对直流电源相当于开路,故不能满足发射结正偏。其他各电路均满足第一要素,其中图1为双电源供电,图3的三极管也是PNP型,直流电源+Uc从E极加入,通过发射结、RB、地,满足发射结正偏。集电结反偏。
由要素之二(Ui不能被短接):图1Ui被直流电源EB短接,图2Ui通过导线被直流电源Uc短接,图4Ui被电容C1短接。
由要素之三(Uo不能被短接):图2、图4输出在E极,为共集电路,其余输出在C极,为共射电路。图6Uo通过导线被直流电源Uc短接。故上述6图中只有图3满足放大条件的三要素,可以放大交流信号,其他电路均需要改进。


返回顶部
刷新页面
下到页底