电路图中的振荡和调制电路
振荡电路的用途和振荡条件
不需要外加信号就能自动地把直流电能转换成具有一定振幅和一定频率的交流信号的电路就称为振荡电路或振荡器。这种现象也叫做自激振荡。或者说,能够产生交流信号的电路就叫做振荡电路。
一个振荡器必须包括三部分:放大器、正反馈电路和选频网络。放大器能对振荡器输入端所加的输入信号予以放大使输出信号保持恒定的数值。正反馈电路保证向振荡器输入端提供的反馈信号是相位相同的,只有这样才能使振荡维持下去。选频网络则只允许某个特定频率 f 0 能通过,使振荡器产生单一频率的输出。
振荡器能不能振荡起来并维持稳定的输出是由以下两个条件决定的;一个是反馈电压 u f 和输入电压 U i 要相等,这是振幅平衡条件。二是 u f 和 u i 必须相位相同,这是相位平衡条件,也就是说必须保证是正反馈。一般情况下,振幅平衡条件往往容易做到,所以在判断一个振荡电路能否振荡,主要是看它的相位平衡条件是否成立。
振荡器按振荡频率的高低可分成超低频( 20 赫以下)、低频( 20 赫~ 200 千赫)、高频( 200 千赫~ 30 兆赫)和超高频( 10 兆赫~ 350 兆赫)等几种。按振荡波形可分成正弦波振荡和非正弦波振荡两类。
正弦波振荡器按照选频网络所用的元件可以分成 LC 振荡器、 RC 振荡器和石英晶体振荡器三种。石英晶体振荡器有很高的频率稳定度,只在要求很高的场合使用。在一般家用电器中,大量使用着各种 L C 振荡器和 RG 振荡器。
LC 振荡器
LC 振荡器的选频网络是 LC 谐振电路。它们的振荡频率都比较高,常见电路有 3 种。
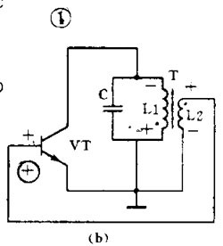
( 1 )变压器反馈 LC 振荡电路

图 1 ( a )是变压器反馈 LC 振荡电路。晶体管 VT 是共发射极放大器。变压器 T 的初级是起选频作用的 LC 谐振电路,变压器 T 的次级向放大器输入提供正反馈信号。接通电源时, LC 回路中出现微弱的瞬变电流,但是只有频率和回路谐振频率 f 0 相同的电流才能在回路两端产生较高的电压,这个电压通过变压器初次级 L1 、 L2 的耦合又送回到晶体管 V 的基极。从图 1 ( b )看到,只要接法没有错误,这个反馈信号电压是和输入信号电压相位相同的,也就是说,它是正反馈。因此电路的振荡迅速加强并最后稳定下来。
变压器反馈 LC 振荡电路的特点是:频率范围宽、容易起振,但频率稳定度不高。它的振荡频率是: f 0 =1 / 2π LC 。常用于产生几十千赫到几十兆赫的正弦波信号。
( 2 )电感三点式振荡电路

图 2 ( a )是另一种常用的电感三点式振荡电路。图中电感 L1 、 L2 和电容 C 组成起选频作用的谐振电路。从 L2 上取出反馈电压加到晶体管 VT 的基极。从图 2 ( b )看到,晶体管的输入电压和反馈电压是同相的,满足相位平衡条件的,因此电路能起振。由于晶体管的 3 个极是分别接在电感的 3 个点上的,因此被称为电感三点式振荡电路。
电感三点式振荡电路的特点是:频率范围宽、容易起振,但输出含有较多高次调波,波形较差。它的振荡频率是: f 0 =1/2π LC ,其中 L=L1 + L2 + 2M 。常用于产生几十兆赫以下的正弦波信号。
( 3 )电容三点式振荡电路

还有一种常用的振荡电路是电容三点式振荡电路,见图 3 ( a )。图中电感 L 和电容 C1 、 C2 组成起选频作用的谐振电路,从电容 C2 上取出反馈电压加到晶体管 VT 的基极。从图 3 ( b )看到,晶体管的输入电压和反馈电压同相,满足相位平衡条件,因此电路能起振。由于电路中晶体管的 3 个极分别接在电容 C1 、 C2 的 3 个点上,因此被称为电容三点式振荡电路。
电容三点式振荡电路的特点是:频率稳定度较高,输出波形好,频率可以高达 100 兆赫以上,但频率调节范围较小,因此适合于作固定频率的振荡器。它的振荡频率是: f 0 =1/2π LC ,其中 C= C 1 C 2 C 1 +C 2 。
上面 3 种振荡电路中的放大器都是用的共发射极电路。共发射极接法的振荡器增益较高,容易起振。也可以把振荡电路中的放大器接成共基极电路形式。共基极接法的振荡器振荡频率比较高,而且频率稳定性好。
RC 振荡器
RC 振荡器的选频网络是 RC 电路,它们的振荡频率比较低。常用的电路有两种。
( 1 ) RC 相移振荡电路

图 4 ( a )是 RC 相移振荡电路。电路中的 3 节 RC 网络同时起到选频和正反馈的作用。从图 4 ( b )的交流等效电路看到:因为是单级共发射极放大电路,晶体管 VT 的输出电压 U o 与输出电压 U i 在相位上是相差 180° 。当输出电压经过 RC 网络后,变成反馈电压 U f 又送到输入端时,由于 RC 网络只对某个特定频率 f 0 的电压产生 180° 的相移,所以只有频率为 f 0 的信号电压才是正反馈而使电路起振。可见 RC 网络既是选频网络,又是正反馈电路的一部分。
RC 相移振荡电路的特点是:电路简单、经济,但稳定性不高,而且调节不方便。一般都用作固定频率振荡器和要求不太高的场合。它的振荡频率是:当 3 节 RC
网络的参数相同时: f 0 = 1 2π 6RC 。频率一般为几十千赫。
( 2 ) RC 桥式振荡电路


图 5 ( a )是一种常见的 RC 桥式振荡电路。图中左侧的 R1C1 和 R2C2 串并联电路就是它的选频网络。这个选频网络又是正反馈电路的一部分。这个选频网络对某个特定频率为 f 0 的信号电压没有相移(相移为 0° ),其它频率的电压都有大小不等的相移。由于放大器有 2 级,从 V2 输出端取出的反馈电压 U f 是和放大器输入电压同相的( 2 级相移 360°=0° )。因此反馈电压经选频网络送回到 VT1 的输入端时,只有某个特定频率为 f 0 的电压才能满足相位平衡条件而起振。可见 RC 串并联电路同时起到了选频和正反馈的作用。
实际上为了提高振荡器的工作质量,电路中还加有由 R t 和 R E1 组成的串联电压负反馈电路。其中 R t 是一个有负温度系数的热敏电阻,它对电路能起到稳定振荡幅度和减小非线性失真的作用。从图 5 ( b )的等效电路看到,这个振荡电路是一个桥形电路。 R1C1 、 R2C2 、 R t 和 R E1 分别是电桥的 4 个臂,放大器的输入和输出分别接在电桥的两个对角线上,所以被称为 RC 桥式振荡电路。
RC 桥式振荡电路的性能比 RC 相移振荡电路好。它的稳定性高、非线性失真小,频率调节方便。它的振荡频率是:当 R1=R2=R 、 C1=C2=C 时 f 0 = 1 2πRC 。它的频率范围从 1 赫~ 1 兆赫。
调幅和检波电路
广播和无线电通信是利用调制技术把低频声音信号加到高频信号上发射出去的。在接收机中还原的过程叫解调。其中低频信号叫做调制信号,高频信号则叫载波。常见的连续波调制方法有调幅和调频两种,对应的解调方法就叫检波和鉴频。
下面我们先介绍调幅和检波电路。
( 1 )调幅电路
调幅是使载波信号的幅度随着调制信号的幅度变化,载波的频率和相应不变。能够完成调幅功能的电路就叫调幅电路或调幅器。
调幅是一个非线性频率变换过程,所以它的关键是必须使用二极管、三极管等非线性器件。根据调制过程在哪个回路里进行可以把三极管调幅电路分成集电极调幅、基极调幅和发射极调幅 3 种。下面举集电极调幅电路为例。

图 6 是集电极调幅电路,由高频载波振荡器产生的等幅载波经 T1 加到晶体管基极。低频调制信号则通过 T3 耦合到集电极中。 C1 、 C2 、 C3 是高频旁路电容, R1 、 R2 是偏置电阻。集电极的 LC 并联回路谐振在载波频率上。如果把三极管的静态工作点选在特性曲线的弯曲部分,三极管就是一个非线性器件。因为晶体管的集电极电流是随着调制电压变化的,所以集电极中的 2 个信号就因非线性作用而实现了调幅。由于 LC 谐振回路是调谐在载波的基频上,因此在 T2 的次级就可得到调幅波输出。
( 2 )检波电路
检波电路或检波器的作用是从调幅波中取出低频信号。它的工作过程正好和调幅相反。检波过程也是一个频率变换过程,也要使用非线性元器件。常用的有二极管和三极管。另外为了取出低频有用信号,还必须使用滤波器滤除高频分量,所以检波电路通常包含非线性元器件和滤波器两部分。下面举二极管检波器为例说明它的工作。

图 7 是一个二极管检波电路。 VD 是检波元件, C 和 R 是低通滤波器。当输入的已调波信号较大时,二极管 VD 是断续工作的。正半周时,二极管导通,对 C 充电;负半周和输入电压较小时,二极管截止, C 对 R 放电。在 R 两端得到的电压包含的频率成分很多,经过电容 C 滤除了高频部分,再经过隔直流电容 C 0 的隔直流作用,在输出端就可得到还原的低频信号。
调频和鉴频电路
调频是使载波频率随调制信号的幅度变化,而振幅则保持不变。鉴频则是从调频波中解调出原来的低频信号,它的过程和调频正好相反。
( 1 )调频电路
能够完成调频功能的电路就叫调频器或调频电路。常用的调频方法是直接调频法,也就是用调制信号直接改变载波振荡器频率的方法。图 8 画出了它的大意,图中用一个可变电抗元件并联在谐振回路上。用低频调制信号控制可变电抗元件参数的变化,使载波振荡器的频率发生变化。

( 2 )鉴频电路
能够完成鉴频功能的电路叫鉴频器或鉴频电路,有时也叫频率检波器。鉴频的方法通常分二步,第一步先将等幅的调频波变成幅度随频率变化的调频 — 调幅波,第二步再用一般的检波器检出幅度变化,还原成低频信号。常用的鉴频器有相位鉴频器、比例鉴频器等。


返回顶部
刷新页面
下到页底