电子开发网

电子开发网电子设计 | 电子开发网Rss 2.0 会员中心 会员注册
搜索: 您现在的位置: 电子开发网 >> 基础入门 >> 电路原理 >> 正文

LC并联谐振电路的频率响应

作者:佚名    文章来源:本站原创    点击数:    更新时间:2018-10-14
LC 并联谐振电路如图1(a)所示。显然输出电压是频率的函数
                   
    输入信号频率过高,电容的旁路作用加强,输出减小;反之频率太低,电感将短路输出。并联谐振曲线如图1(b)所示。
并联谐振电路及其谐振曲线
(a) LC 并联谐振电路  (b) 并联谐振曲线
图1 并联谐振电路及其谐振曲线

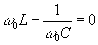
    谐振时
                
    谐振频率
                
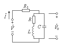
    考虑电感支路的损耗,用R表示,如图2所示。谐振时,电感支路电流或电容支路电流与总电流之比,称为并联谐振电路的品质因数
                

图2 有损耗的谐振电路
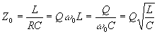
    对于图11.05(b)的谐振曲线,Q 值大的曲线较陡较窄,图中Q1Q2。并联谐振电路的谐振阻抗
                
    谐振时,LC 并联谐振电路相当一个电阻。
Tags:LC并联,谐振电路,频率响应  
责任编辑:admin
  • 上一个文章:
  • 下一个文章:
  • 请文明参与讨论,禁止漫骂攻击,不要恶意评论、违禁词语。 昵称:
    1分 2分 3分 4分 5分

    还可以输入 200 个字
    [ 查看全部 ] 网友评论
    关于我们 - 联系我们 - 广告服务 - 友情链接 - 网站地图 - 版权声明 - 在线帮助 - 文章列表
    返回顶部
    刷新页面
    下到页底
    晶体管查询