一种以硅单晶为基本材料的P1N1P2N2四层三端器件,创制于1957年,由于它特性类似于真空闸流管,所以国际上通称为硅晶体闸流管,简称可控硅T。又由于可控硅最初应用于可控整流方面所以又称为硅可控整流元件,简称为可控硅SCR。
在性能上,可控硅不仅具有单向导电性,而且还具有比硅整流元件(俗称“死硅”)更为可贵的可控性。它只有导通和关断两种状态。
可控硅能以毫安级电流控制大功率的机电设备,如果超过此频率,因元件开关损耗显著增加,允许通过的平均电流相降低,此时,标称电流应降级使用。
可控硅的优点很多,例如:以小功率控制大功率,功率放大倍数高达几十万倍;反应极快,在微秒级内开通、关断;无触点运行,无火花、无噪音;效率高,成本低等等。
可控硅的弱点:静态及动态的过载能力较差;容易受干扰而误导通。
可控硅从外形上分类主要有:螺栓形、平板形和平底形。
1、可控硅元件的结构
不管可控硅的外形如何,它们的管芯都是由P型硅和N型硅组成的四层P1N1P2N2结构。见图1。它有三个PN结(J1、J2、J3),从J1结构的P1层引出阳极A,从N2层引出阴级K,从P2层引出控制极G,所以它是一种四层三端的半导体器件。
2、 工作原理
可控硅是P1N1P2N2四层三端结构元件,共有三个PN结,分析原理时,可以把它看作由一个PNP管和一个NPN管所组成,其等效图解如图1所示
当阳极A加上正向电压时,BG1和BG2管均处于放大状态。此时,如果从控制极G输入一个正向触发信号,BG2便有基流ib2流过,经BG2放大,其集电极电流ic2=β2ib2。因为BG2的集电极直接与BG1的基极相连,所以ib1=ic2。此时,电流ic2再经BG1放大,于是BG1的集电极电流ic1=β1ib1=β1β2ib2。这个电流又流回到BG2的基极,表成正反馈,使ib2不断增大,如此正向馈循环的结果,两个管子的电流剧增,可控硅使饱和导通。
由于BG1和BG2所构成的正反馈作用,所以一旦可控硅导通后,即使控制极G的电流消失了,可控硅仍然能够维持导通状态,由于触发信号只起触发作用,没有关断功能,所以这种可控硅是不可关断的。
由于可控硅只有导通和关断两种工作状态,所以它具有开关特性,这种特性需要一定的条件才能转化,此条件见表1
可控硅的基本伏安特性见图2
图2 可控硅基本伏安特性
(1)反向特性
当控制极开路,阳极加上反向电压时(见图3),J2结正偏,但J1、J2结反偏。此时只能流过很小的反向饱和电流,当电压进一步提高到J1结的雪崩击穿电压后,接差J3结也击穿,电流迅速增加,图3的特性开始弯曲,如特性OR段所示,弯曲处的电压URO叫“反向转折电压”。此时,可控硅会发生永久性反向
(2)正向特性
当控制极开路,阳极上加上正向电压时(见图4),J1、J3结正偏,但J2结反偏,这与普通PN结的反向特性相似,也只能流过很小电流,这叫正向阻断状态,当电压增加,图3的特性发生了弯曲,如特性OA段所示,弯曲处的是UBO叫:正向转折电压
图4 阳极加正向电压
由于电压升高到J2结的雪崩击穿电压后,J2结发生雪崩倍增效应,在结区产生大量的电子和空穴,电子时入N1区,空穴时入P2区。进入N1区的电子与由P1区通过J1结注入N1区的空穴复合,同样,进入P2区的空穴与由N2区通过J3结注入P2区的电子复合,雪崩击穿,进入N1区的电子与进入P2区的空穴各自不能全部复合掉,这样,在N1区就有电子积累,在P2区就有空穴积累,结果使P2区的电位升高,N1区的电位下降,J2结变成正偏,只要电流稍增加,电压便迅速下降,出现所谓负阻特性,见图3的虚线AB段。
这时J1、J2、J3三个结均处于正偏,可控硅便进入正向导电状态---通态,此时,它的特性与普通的PN结正向特性相似,见图2中的BC段
2、 触发导通
图5 阳极和控制极均加正向电压
图1、可控硅结构示意图和符号图
3、可控硅在电路中的主要用途是什么?
普通可控硅最基本的用途就是可控整流。大家熟悉的二极管整流电路属于不可控整流电路。如果把二极管换成可控硅,就可以构成可控整流电路。现在我画一个最简单的单相半波可控整流电路〔图4(a)〕。在正弦交流电压U2的正半周期间,如果VS的控制极没有输入触发脉冲Ug,VS仍然不能导通,只有在U2处于正半周,在控制极外加触发脉冲Ug时,可控硅被触发导通。现在,画出它的波形图〔图4(c)及(d)〕,可以看到,只有在触发脉冲Ug到来时,负载RL上才有电压UL输出(波形图上阴影部分)。Ug到来得早,可控硅导通的时间就早;Ug到来得晚,可控硅导通的时间就晚。通过改变控制极上触发脉冲Ug到来的时间,就可以调节负载上输出电压的平均值UL(阴影部分的面积大小)。在电工技术中,常把交流电的半个周期定为180°,称为电角度。这样,在U2的每个正半周,从零值开始到触发脉冲到来瞬间所经历的电角度称为控制角α;在每个正半周内可控硅导通的电角度叫导通角θ。很明显,α和θ都是用来表示可控硅在承受正向电压的半个周期的导通或阻断范围的。通过改变控制角α或导通角θ,改变负载上脉冲直流电压的平均值UL,实现了可控整流。
4、 在桥式整流电路中,把二极管都换成可控硅是不是就成了可控整流电路了呢?
在桥式整流电路中,只需要把两个二极管换成可控硅就能构成全波可控整流电路了。现在画出电路图和波形图(图5),就能看明白了
5、可控硅控制极所需的触发脉冲是怎么产生的呢?
可控硅触发电路的形式很多,常用的有阻容移相桥触发电路、单结晶体管触发电路、晶体三极管触发电路、利用小可控硅触发大可控硅的触发电路,等等。
6、什么是单结晶体管?它有什么特殊性能呢?
单结晶体管又叫双基极二极管,是由一个PN结和三个电极构成的半导体器件(图6)。我们先画出它的结构示意图〔图7(a)〕。在一块N型硅片两端,制作两个电极,分别叫做第一基极B1和第二基极B2;硅片的另一侧靠近B2处制作了一个PN结,相当于一只二极管,在P区引出的电极叫发射极E。为了分析方便,可以把B1、B2之间的N型区域等效为一个纯电阻RBB,称为基区电阻,并可看作是两个电阻RB2、RB1的串联〔图7(b)〕。值得注意的是RB1的阻值会随发射极电流IE的变化而改变,具有可变电阻的特性。如果在两个基极B2、B1之间加上一个直流电压UBB,则A点的电压UA为:若发射极电压UE<UA,二极管VD截止;当UE大于单结晶体管的峰点电压UP(UP=UD+UA)时,二极管VD导通,发射极电流IE注入RB1,使RB1的阻值急剧变小,E点电位UE随之下降,出现了IE增大UE反而降低的现象,称为负阻效应。发射极电流IE继续增加,发射极电压UE不断下降,当UE下降到谷点电压UV以下时,单结晶体管就进入截止状态。
7、怎样利用单结晶体管组成可控硅触发电路呢?
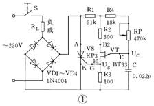
我们单独画出单结晶体管张弛振荡器的电路(图8)。它是由单结晶体管和RC充放电电路组成的。合上电源开关S后,电源UBB经电位器RP向电容器C充电,电容器上的电压UC按指数规律上升。当UC上升到单结晶体管的峰点电压UP时,单结晶体管突然导通,基区电阻RB1急剧减小,电容器C通过PN结向电阻R1迅速放电,使R1两端电压Ug发生一个正跳变,形成陡峭的脉冲前沿〔图8(b)〕。随着电容器C的放电,UE按指数规律下降,直到低于谷点电压UV时单结晶体管截止。这样,在R1两端输出的是尖顶触发脉冲。此时,电源UBB又开始给电容器C充电,进入第二个充放电过程。这样周而复始,电路中进行着周期性的振荡。调节RP可以改变振荡周期
8、在可控整流电路的波形图中,发现可控硅承受正向电压的每半个周期内,发出第一个触发脉冲的时刻都相同,也就是控制角α和导通角θ都相等,那么,单结晶体管张弛振荡器怎样才能与交流电源准确地配合以实现有效的控制呢?
为了实现整流电路输出电压“可控”,必须使可控硅承受正向电压的每半个周期内,触发电路发出第一个触发脉冲的时刻都相同,这种相互配合的工作方式,称为触发脉冲与电源同步。 怎样才能做到同步呢?大家再看调压器的电路图(图1)。请注意,在这里单结晶体管张弛振荡器的电源是取自桥式整流电路输出的全波脉冲直流电压。在可控硅没有导通时,张弛振荡器的电容器C被电源充电,UC按指数规律上升到峰点电压UP时,单结晶体管VT导通,在VS导通期间,负载RL上有交流电压和电流,与此同时,导通的VS两端电压降很小,迫使张弛振荡器停止工作。当交流电压过零瞬间,可控硅VS被迫关断,张弛振荡器得电,又开始给电容器C充电,重复以上过程。这样,每次交流电压过零后,张弛振荡器发出第一个触发脉冲的时刻都相同,这个时刻取决于RP的阻值和C的电容量。调节RP的阻值,就可以改变电容器C的充电时间,也就改变了第一个Ug发出的时刻,相应地改变了可控硅的控制角,使负载RL上输出电压的平均值发生变化,达到调压的目的。
双向可控硅的T1和T2不能互换。否则会损坏管子和相关的控制电路。


返回顶部
刷新页面
下到页底