1.电流互感器的工作原理
电力系统中广泛采用的是电磁式电流互感器(以下简称电流互感器)。它的工作原理和变压器相似。
电流互感器一、二次电流之比称为电流互感器的额定互感比。
Ki=In1/In2
式中 In1——一次线圈的额定电流,A;
In2 ——二次线圈的额定电流,5A。
2. 电压互感器的工作原理
电压互感器基本型式包括两组绕有导线之线圈,并且彼此以电感方式称合一起。当一交流电流(具有某一已知频率)流于其中之一组线圈时,于另一组线圈中将感应出具有相同频率之交流电压,而感应的电压大小取决于两线圈耦合及磁交链之程度。
电压互感器简称PT,其工作原理和变压器很相像,都是用来变换线路上的电压。在测量交变电流的大电压时,为能够安全测量在火线和地线之间并联一个变压器(接在变压器的输入端),这个变压器的输出端接入电压表,由于输入线圈的匝数大于输出线圈的匝数,因此输出电压小于输入电压,电压互感器就是降压变压器.
电压互感器的作用:
1、把高电压按比例关系变换成100V或更低等级的标准二次电压,供保护、计量、仪表装置使用。
2、使用电压互感器可以将高电压与电气工作人员隔离。
3、当二次负载阻抗减小时,二次电流增大,使得一次电流自动增大一个分量来满足一二次侧之间的电磁平衡关系。
电压互感器接线图:
1.一个单相电压互感器的接线
这种接线方式在三相线路上,只能测量某两相之间的线电压,用于连接电压表、频率表及电压继电器等。
2.两个单相 这种接线方式又称不完全星形接线,可以用来测量三个线电压,供仪表、继电器接于三相三线制电路的各个线电压。
这种接线方式又称不完全星形接线,可以用来测量三个线电压,供仪表、继电器接于三相三线制电路的各个线电压。
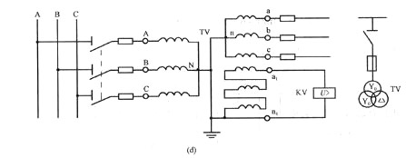
3.三个单相电压互感器Y。/Y。形接线
这种接线方式能满足仪表和微机保护装置选用相电压和线电压的要求。在一次绕组中点接地情况下,也可装用绝缘监察电压表。
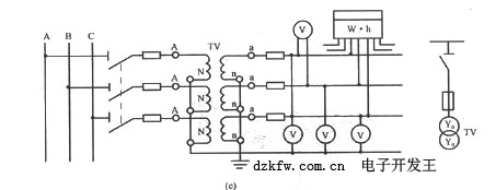
4.三个单相三绕组电压互感器或一个三相五芯柱三绕组电压互感器Y。/Y。/
这种接线方式在10kV中性点不接地系统中应用广泛,它既能测量线电压、相电压并能组成绝缘监察装置和供单相接地保护用。接成Y。形的二次绕组称为基本二次绕组,用来接仪表、继电器及绝缘监察电压表;接成(开口三角形)的二次绕组,称为辅助二次绕组,用来连接监察绝缘用的电压继电器。在系统正常运行时,开口三角形两端的电压接近于零,当系统发生一相接地时,开口三角形两端出现零序电压,使电压继电器吸合,发出接地预告信号。


返回顶部
刷新页面
下到页底