一、PLC控制电动机延迟启动正转和反转
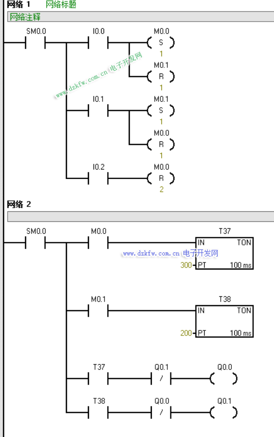
实验要求:当按下电动机的正转启动按钮时,电动机需要延迟30秒后,电动机才会正转启动工作;当按下反转按钮时,电动机需要延迟20秒后,电动机才会反转启动工作;当按下停止按钮时电动机立刻停止工作。
| 输入量 | 输出量 |
| I0.0 电动机正转按钮 | Q0.0 电动机正转工作 |
| I0.1 电动机反转按钮 | Q0.1 电动机反转工作 |
| I0.2 电动机停止按钮 |
分析:I0.0为电动机的正转启动按钮,I0.1为电动机的反转启动按钮,I0.2为停止按钮,Q0.0为电动机正转工作,Q0.1为电动机正转工作,M0.0中间继电器。当按下正转启动开关时,电动机需要延迟30秒后电动机才会正常的工作运行;当按下反转启动按钮时,电动机需要延迟20秒才会反转正常的工作运行;按下停止开关时,电动机立刻停止工作。
语句表
网络1
LD SM0.0
LPS
A I0.0
S M0.0, 1
R M0.1, 1
LRD
A I0.1
S M0.1, 1
R M0.0, 1
LPP
A I0.2
R M0.0, 2
网络2
LD SM0.0
LPS
A M0.0
TON T37, 300
LRD
A M0.1
TON T38, 200
LRD
A T37
AN Q0.1
= Q0.0
LPP
A T38
AN Q0.0
= Q0.1
二、PLC控制电动机的顺序启动逆序停止
实验要求:有三台电动机分别为A、B、C,当按下启动按钮时A先启动后B才能启动;B启动后C才能启动;当按下停止按钮时C先停止,在到B停止,最后到A停止。启动和停止时,两台电动机的时间间隔都是10秒。每台电动机有独立的停止开关,一个急停开关。
| 输入量 | 输出量 |
|
I0.0 启动开关 |
Q0.0 A号电动机 |
| I0.1 急停开关 | Q0.1 B号电动机 |
| I0.2 停止开关 | Q0.2 C号电动机 |
|
I0.3 A电动机停止开关 |
|
| I0.4 B电动机停止开关 | |
| I0.5 C电动机停止开关 |
分析:I0.0为线路的启动开关,I0.1为线路的急停开关,I0.2为线路的停止开关;I0.3、I0.4和I0.5分别为A、B、C电动机的单独停止按钮。
语句表
网络1
LD I0.0
O Q0.0
AN T42
AN I0.1
AN I0.3
= Q0.0
TON T37, 100
网络2
LD T37
O Q0.1
AN T41
AN I0.1
AN I0.4
= Q0.1
TON T38, 100
网络3
LD T38
O Q0.2
AN T40
AN I0.1
AN I0.5
= Q0.2
TON T39, 100
网络4
LD I0.2
O M0.0
AN T43
= M0.0
TON T40, 100
TON T41, 200
TON T42, 300
TON T43, 400


返回顶部
刷新页面
下到页底