一、概述
plc控制取代继电器控制已是大势所趋,如果用PLC改造继电器控制系统,根据原有的继电器电路图来设计梯形图显然是一条捷径。这是由于原有的继电器控制系统经过长期的使用和考验,已经被证明能完成系统要求的控制功能,而继电器电路图又与梯形图有很多相似之处,因此可以将继电器电路图经过适当的“翻译”,从而设计出具有相同功能的PLC梯形图程序,所以将这种设计方法称为“移植设计法”或“翻译法”。
在分析PLC控制系统的功能时,可以将PLC想象成一个继电器控制系统中的控制箱。PLC外部接线图描述的是这个控制箱的外部接线,PLC的梯形图程序是这个控制箱内部的“线路图”,PLC输入继电器和输出继电器是这个控制箱与外部联系的“中间继电器”,这样就可以用分析继电器电路图的方法来分析PLC控制系统。
我们可以将输入继电器的触点想象成对应的外部输入设备的触点,将输出继电器的线圈想象成对应的外部输出设备的线圈。外部输出设备的线圈除了受PLC的控制外,可能还会受外部触点的控制。用上述的思想就可以将继电器电路图转换为功能相同的PLC外部接线图和梯形图。
二、移植设计法的编程步骤
1.分析原有系统的工作原理
了解被控设备的工艺过程和机械的动作情况,根据继电器电路图分析和掌握控制系统的工作原理。
2.PLC的I/O分配
确定系统的输入设备和输出设备,进行PLC的I/O分配,画出PLC外部接线图。
3.建立其它元器件的对应关系
确定继电器电路图中的中间继电器、时间继电器等各器件与PLC中的辅助继电器和定时器的对应关系。
以上(2)和(3)两步建立了继电器电路图中所有的元器件与PLC内部编程元件的对应关系,对于移植设计法而言,这非常重要。在这过程中应该处理好以几个问题:
1)继电器电路中的执行元件应与PLC的输出继电器对应,如交直流接触器、电磁阀、电磁铁、指示灯等;
2)继电器电路中的主令电器应与PLC的输入继电器对应,如按钮、位置开关、选择开关等。热继电器的触点可作为PLC的输入,也可接在PLC外部电路中,主要是看PLC的输入点是否富裕。注意处理好PLC内、外触点的常开和常闭的关系。
3)继电器电路中的中间继电器与PLC的辅助继电器对应;
4)继电器电路中的时间继电器与PLC的定时器或计数器对应,但要注意:时间继电器有通电延时型和断电延时型两种,而定时器只有“通电延时型”一种。
4.设计梯形图程序
根据上述的对应关系,将继电器电路图“翻译”成对应的“准梯形图”,再根据梯形图的编程规则将“准梯形图”转换成结构合理的梯形图。对于复杂的控制电路可划整为零,先进行局部的转换,最后再综合起来。
5.仔细校对、认真调试
对转换后的梯形图一定要仔细校对、认真调试,以保证其控制功能与原图相符。
三、举例
1.卧式镗床继电器控制系统分析
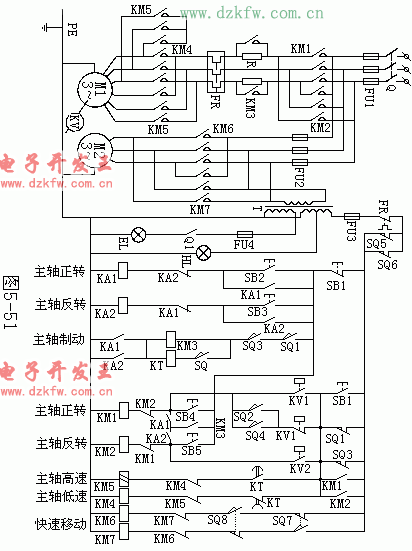
如图1所示为某卧式镗床继电器控制系统的电路图,包括主电路、控制电路、照明电路和指示电路。镗床的主轴电机M1是双速异步电动机,中间继电器KA1和KA2控制主轴电机的起动和停止,接触器KM1和KM2控制主轴电机的正反转,接触器KM4、KM5和时间继电器KT控制主轴电机的变速,接触器KM3用来短接串在定子回路的制动电阻。SQ1、SQ2和SQ3、SQ4是变速操纵盘上的限位开关,SQ5和SQ6是主轴进刀与工作台移动互锁限位开关,SQ7和SQ8是镗头架和工作台的正、反向快速移动开关。
图1 卧式镗床的继电器控制电路
2.画PLC外部接线图
改造后的PLC控制系统的外部接线图中,主电路、照明电路和指示电路同原电路不变,控制电路的功能由PLC实现,PLC的I/O接线图如图2所示。
图2 卧式镗床PLC控制系统I/O接线图
3.设计梯形图
根据PLC的I/O对应关系,再加上原控制电路(图1)中KA1、KA2和KT分别与PLC内部的M300、M301和T0相对应,可设计出PLC的梯形图如图3所示。
图3 卧式镗床PLC控制系统的梯形图
设计过程中应注意梯形图与继电器电路图的区别。梯形图是一种软件,是PLC图形化的程序,PLC梯形图是串行工作的,而在继电器电路图中,各电器可以同时动作(并行工作)。
移植设计法主要是用来对原有机电控制系统进行改造,这种设计方法没有改变系统的外部特性,对于操作工人来说,除了控制系统的可靠性提高之外,改造前后的系统没有什么区别,他们不用改变长期形成的操作习惯。这种设计方法一般不需要改动控制面板及器件,因此可以减少硬件改造的费用和改造的工作量。


返回顶部
刷新页面
下到页底