一、项目所需设备、工具、材料
见表1。

二、训练内容:
1、 项目描述
某艺术彩灯造型演示板如图6所示,图中A、B、C、D、E、F、G、H为八只彩灯,呈环形分布。控制要求如下(灯的点亮顺序是):
将启动开关K1合上,八只灯泡同时亮,即ABCDEFGH同时亮1秒;接着 八只灯泡按逆时钟方向轮流各亮1秒,即A亮1秒→B亮1秒→C亮1秒→D亮1秒→E亮1秒→F亮1秒→G亮1秒→H亮1秒;接下来八只灯泡又同时亮1秒,即ABCDEFGH同时亮1秒;然后八只灯泡按顺时钟方向轮流各亮1秒,即H亮1秒→G亮1秒→F亮1秒→E亮1秒→D亮1秒→C亮1秒→B亮1秒→A亮1秒。然后按此顺序重复执行。按下停止开关K1,所有灯灭。


2、实训要求
2.1 输入和输出点分配
见表2。

2.2 PLC接线图
按图7接好线。注意COM1、COM2相连接,因为采用相同额定电压的指示灯。输入接启动开关和停止开关。
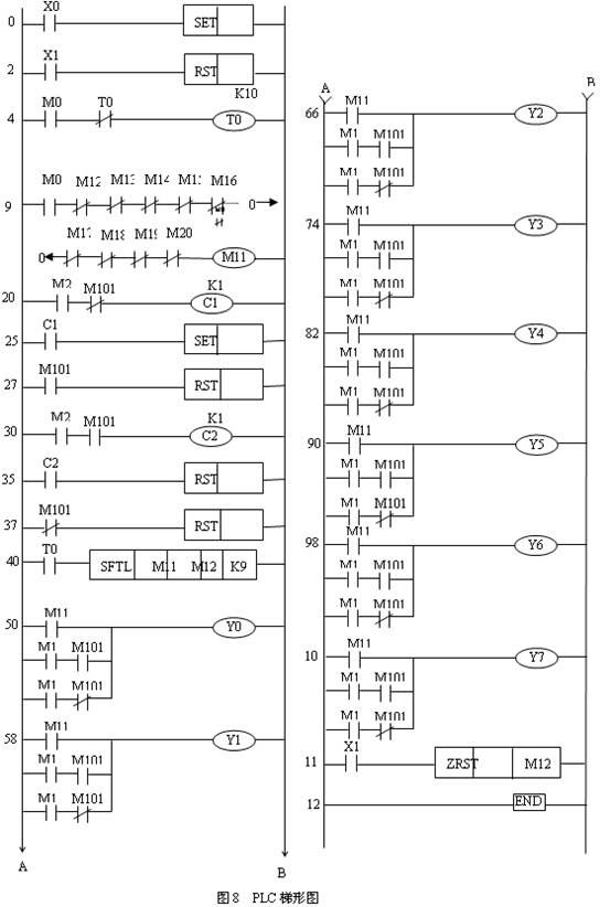
2.3 程序设计
图8中,PLC运行时,程序9~19步中,M11导通,由于程序步50~120中,M11动合触点闭合,分别控制了Y0~Y7的导通,因而彩灯ABCDEFGH同时点亮,因T0延时1秒钟,故ABCDEFGH同时点亮1秒钟。1秒钟时间到,程序第40步,T0动合触点闭合,移位指令执行,实现轮流点亮,即 ABCDEFGH轮流点亮,因为1秒钟T0闭合一次,故ABCDEFGH轮流点亮的时间间隔为1秒。程序步20~29中,当M20通时,将M101置位,由 M101动合触点与MI2~M19动合触点配合,分别轮流点亮H~A,即H、G、F、E、D、C、B、A每隔1秒轮流点亮。程序步30~39中,当M20通时,将M101复位,M101动断触点与MI2~M19动合触点配合,分别串联点亮A~H,即A、B、C、D、E、F、G、H每隔1秒轮流点亮。任何时候将停止开关K2合上,在第114步,区间复位指令使M12~M19全部复位,所有灯均不亮。
2.4 运行并调试程序
(1)将梯形图程序输入到计算机,检查电源正确无误。
(2)对程序进行调试运行。
a.接通PLC电源后,将PLC置RUN状态,将K1闭合,观察A、B、C、D、E、F、G、H的亮显情况。
b.将K2闭合,观察A、B、C、D、E、F、G、H的亮显情况。
(3)调试运行记录。
三、实训报告要求与考核标准
1、实训报告要求
(1)整理实训操作结果,按标准写出实训报告。
(2)请用步进指令完成本次实训。



返回顶部
刷新页面
下到页底